立式轴流泵机组安装工法完成单位:天津市水利工程有限公司 主要完成人:1.前 言在以往的泵站立式轴流泵机组安装的过程中,总会出现一些问...
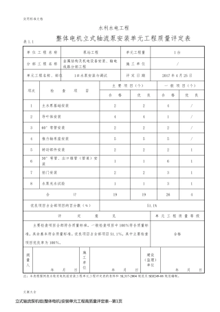
整体电机立式轴流泵安装单元工程质量评定表注:本表根据例表水轮发电机组安装工程单元工程评定表的表样和 SL317-2004 规范及 SDJ249-88...
立式轴流泵的结构及安装方法立式轴流泵属于叶片式泵,这种泵具备大流量、低扬程、高比转数、高效率、占地面积小,性能参数可变性,以及适合...
潜水轴流泵操作章程1、 起动泵的控制柜安装完毕,即可起动。起初,泵出口阀门必须打开,待泵正常运转后,阀门至少打开一半。2、 控制泵运...
对定子过高或过低,会减小电机输出功。转子中心高于定子中心还会因.专业知识分享.式轴泵机组安装工法完成单位:天津市水主要完成人:工程有...
立式全调节轴流泵安装施工方案编制:日期:第一章 工程概况螺山泵站为洪湖水位达到一定水位后,将洪湖水抽到长江里,已保证洪湖安全的设施....
三铺湖排涝泵站改建工程 设备安装工程调试运行方案 一、工程概况 三铺湖排涝泵站位于五河县沫河口镇东约 1km 处的淮北大堤内侧,承担5...
1400QZB 潜水轴流泵安装、使用、维护说明书【第页共页】1400QZB安装、使用、维护说明书(安装、使用前必需阅读此说明书)电泵下井安装前必...
2015 年上半年天津暖通空调:毛细管网地板采暖考试试题本卷共分为 2 大题 50 小题,作答时间为 180 分钟,总分 100 分,60 分及...
1400QZB 潜水轴流泵安装、使用、维护说明书(安装、使用前必需阅读此说明书)(电泵下井安装前,必须将动叶外圈部位固定叶片用的螺钉拆除)14...
轴流泵的使用维护及故障排除一、轴流泵的拆卸轴流泵的结构比离心泵简单,但由于零部件较重,安装精度要求较高,所以拆卸工作比离心泵费力,...
下载后可任意编辑 设备检修作业规程 共 9 页 第 1 页 聚丙烯装置P201/P202/P200 轴流泵检修作业规程 [ ] -作业 [ ] -联检 ...
仅供参考 [整理 ] 第 1 页 共 4 页安全管理文书潜水轴流泵操作规程日期: __________________单位: __________________仅供参考...
WORD 格式可编辑专业知识整理分享立式全调节轴流泵安装施工方案编制:日期:WORD 格式可编辑专业知识整理分享第一章工程概况螺 山 泵 ...
ZLB型轴流泵
1 轴流泵设计数据 1、设计参数: 流量 Q= 1000( m³/h ) 扬程 H= 4.5 (m) 转速 n= 1450 ( r/min ) 效率 ≧85℅...
1350ZQB-70-230072.48284.77222350ZQB-70-230069.56737.45223350ZQB-70-2300689003.42224350ZQB-700300717638.67305350ZQB-700300799576.21...
ZLT1300.1150A 立式轴流泵 安装使用说明书 中华人民共和国 石家庄强大泵业集团有限公司 二○一○年 八月 - - 1 目 录 第一章 ...
中华人民共和国城镇建设行业标准 潜 水 轴 流 泵 Submersible axial-flow pump CJ/T 3060-1996 1 范围 本标准规定了潜水轴流...
实用标准文档 文案大全 水利水电工程 表1.1 整体电机立式轴流泵安装单元工程质量评定表 单位工程名称 泵站工程 单元工程量 1 台 ...

