第页教学课题第二章身边的化学物质第二节奇妙的二氧化碳学情分析教学目标〖知识与技能要求〗1、认识二氧化碳的主要物理性质和化学性质2、认...
课题:1-2化学研究些什么(2)班级:__________姓名:__________作业日期:________________A.某品牌纯净水B.清新的空气C.24K黄金D.氦...
《第10课晏子使楚》晏子将使()楚。楚王闻之,谓左右()曰:“晏婴,齐之习()辞者也,今方()来,吾欲辱之,何以()也?”左右对曰:...
教学课题第10课经济重心的南移教学时间(日期、课时)一课时教材分析本课主要讲述自唐朝晚期至两宋时期南方经济的发展及其对中国古代经济重...
页边批注第1课繁盛一时的隋朝教学时间(日期、课时)教材分析1、利用“导入框”中讲述的“隋炀帝赏琼花”的故事,激发学生的兴趣,由此导入...
教学课题数据图表与分析教学时间(日期、课时)1课时教材分析教材要求学生通过探究分析图表的类型与作用,要求学生初步掌握建立图表的方法...
教学课题第17课君主集权的强化教学时间(日期、课时)一课时教材分析【重点和难点】1.本课的重点是明太祖加强君权的措施。明朝是我国封建社...
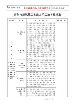
第1页共5页编号:时间:2021年x月x日书山有路勤为径,学海无涯苦作舟页码:第1页共5页苏州市建筑施工创建文明工地考核标准应达标准内容扣分...
第1页共95页编号:时间:2021年x月x日书山有路勤为径,学海无涯苦作舟页码:第1页共95页3A001苏州上声电子有限公司1.设备维护人员:10人2.工...
苏州市物业服务合同使用说明1、根据国家、省物业管理有关法律、法规、规章的规定,结合苏州市实际,印制本合同示范文本。2、本示范文本适用...
苏州市业务接待员从业资格证换证考试复习题一、判断题(40题)1、从事道路运输经营以及道路运输相关业务,应当遵循依法经营,诚实信用,公...
苏州市广播电视职大学试卷题号一二三四五总分得分试卷代号:S4896财会(3+2)《统计学原理》期末试卷98.1一、填充:(10')1、社会经济统计...
苏州市物业服务合同示范文本使用说明1、本合同为示范文本。经双方当事人协商确定,可以对本示范文本的条款内容(包括选择内容、填写空格部...
目录第一部分:地块概况一、地理位置………………………………………3二、地域现状………………………………………4三、周边情况……………...
苏州市商品房销售网上管理系统培训手册目录一、图例说明、术语说明、流程图_________________________________________________________31....
苏州市消费者权益保护委员会2010年度全市投诉情况汇总分析2011-01-30苏州市消费者权益保护委员会一、投诉概况据苏州市消费者权益保护委员会...
苏州市新一造价师价格事务所有限公司关于整体提升垂直式垃圾压缩机的招标公告(SZXY2008-C-G-001)苏州市新一造价师价格事务所有限公司受苏...
苏州市服务业布局规划一、规划原则和期限(一)规划原则1.以人为本,和谐发展。充分体现为大多数人服务,为大多数人谋利益的规划理念,构建...
江苏省苏州市事业单位考试行政职业能力测验试题及答案第一部分常识判断(共20题,参考时限10分钟)根据题目要求,在四个选项中选出一个最恰...
3A001苏州上声电子有限公司1.设备维护人员:10人2.工装设计人员:5人3.工艺人员:5人4.车间储备干部:5人5.产品结构设计人员:5人3A002苏州苏欧...

