第1页共5页编号:时间:2021年x月x日书山有路勤为径,学海无涯苦作舟页码:第1页共5页保供部备品备件仓库主管职位说明书一、职位概述职位名...
第1页共11页编号:时间:2021年x月x日书山有路勤为径,学海无涯苦作舟页码:第1页共11页浅论钢铁企业设备备件类物资库存管理与控制河北省承...
北京交通大学硕士学位论文M公司备件库存管理分析与研究姓名:冯如娟申请学位级别:硕士专业:工商管理指导教师:赵启兰20090601中文摘要摘...
第1页共9页编号:时间:2021年x月x日书山有路勤为径,学海无涯苦作舟页码:第1页共9页数学模型在宝钢备件库存优化方案中的应用宝山钢铁股份...
第1页共1页编号:时间:2021年x月x日书山有路勤为径,学海无涯苦作舟页码:第1页共1页第41页Sinotrust酿酒公司供应处仓库酿酒公司总经理与...
年月备品备件需求计划申报单位:填表时间:年月日序号品名规格单位数量用途备注123456789101112131415161718营销车间主任材料会计保管制单
第1页共164页编号:时间:2021年x月x日书山有路勤为径,学海无涯苦作舟页码:第1页共164页氨冷凝液泵设备备件计划填报日期:2011年1月28日...
第1页共8页编号:时间:2021年x月x日书山有路勤为径,学海无涯苦作舟页码:第1页共8页配电设备运行与备品备件管理1、配电设备的事故备品管...
张家界航空工业职业技术学院毕业设计题目:备件库存管理系别:航空维修工程系专业:机电设备维护与管理姓名:宋建全学号:10353114指导老师...
第1页共5页编号:时间:2021年x月x日书山有路勤为径,学海无涯苦作舟页码:第1页共5页保供部备品备件仓库主管职位说明书一、职位概述职位名...
绩效考核表被考核者所属分厂轧钢厂所属部门生产科职位名称备品备件外协考核者生产科长考核期考核指标指标定义权重(%)量化标准得分得分依...
第1页共3页编号:时间:2021年x月x日书山有路勤为径,学海无涯苦作舟页码:第1页共3页附件:采购清单序号物资编码物资名称及规格型号技术要...
\\保供部备品备件仓库主管职位说明书一、职位概述职位名称备件备件仓库主管职位编号W-04所属部门保供部职位级别直接上级保供部经理定员人数...
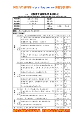
一、岗位情况调查表(职务说明书)(后面附件中的职务说明书仅供参考,调查表内容填写以<填写说明>要求为准)岗位名称设备备件管理岗岗位编号...
天津理工大学本科毕业论文选题审批表届:2010学院:管理学院专业:物流管理2009年10月30日学生姓名王宝平学号20063956指导教师陈力洁职称讲...
第1页共11页编号:时间:2021年x月x日书山有路勤为径,学海无涯苦作舟页码:第1页共11页设备备件库存结构及备件管理构想李葆文摘要企业备件...
年月备品备件需求计划申报单位:填表时间:年月日序号品名规格单位数量用途备注123456789101112131415161718营销车间主任材料会计保管制单
第1页共7页编号:时间:2021年x月x日书山有路勤为径,学海无涯苦作舟页码:第1页共7页设备备件管理在乳品企业中的应用_其它管理论文-毕业论...
第1页共11页编号:时间:2021年x月x日书山有路勤为径,学海无涯苦作舟页码:第1页共11页设备备件库存结构及备件管理构想李葆文摘要企业备件...
第1页共6页编号:时间:2021年x月x日书山有路勤为径,学海无涯苦作舟页码:第1页共6页从备件ABC分类管理到备件3A库存模型应用摘要简要介绍...

