政治审查综合性报告关于发展对象同志的政治审查结论性报告,男(女),族,XX省XX县区人,生于年月日,家庭出身农民,学历,年月日参加工作...
用人单位劳动保障书面材料审查工作自查报告一、审查范围凡在本县辖区内的国有、集体、外资、合资等各类企业(包括中央、省、市属外地驻成单...
综合政治审查报告一、基本情况***,男,汉族,***人,****年**月出生,本科学历,籍贯*****,家庭出身农民,在***工作。二、本人简历:1985...
综合训练馆节能审查工作报告根据国家有关节能法律、法规及规范要求,我局市综合训练馆建设项目属于节能评估审查范畴。我局已于2014年3月委...
职代会筹备和代表资格审查工作报告文章标题:职代会筹备和代表资格审查工作报告职代会筹备和代表资格审查工作报告各位代表、同志们:本次大...
职工代表大会代表资格审查报告[1]第三届职工代表大会代表资格审查委员会关于代表资格的审查报告(草案)(2016年月日预备会议通过)各位领...
虚假财务报告的审查方法诠释摘要。虚假财务报告的审查实际上是审计的一种特殊审计程序与方法。审查过程中所运用的具体方法也于一般的审计方...
议案审查委员会关于议案审查报告3议案审查委员会关于议案审查报告xx镇第九届人民代表大会第二次会议议案审查委员会关于议案审查的报告(草...
资格审查情况报告资格审查情况报告一(1)标题:关于反映***(单位、职务)***(姓名)***问题的初核报告(2)导语。应写明初核依据和初核...
授信审查要点课件目录•授信审查概述•客户基本信息分析•业务风险分析•财务审查要点•风险评估与决策•实际案例分析授信审查概述授信审查...
银行法律审查岗的竞聘报告范文大家好。今天,我怀着一种不平静的心情,登上了这个特殊的舞台,首先感谢组织和领导给我提供了了一次难得的学...
银行法律审查岗竞聘报告大家好。今天,我怀着一种不平静的心情,登上了这个特殊的舞台,首先感谢组织和领导给我提供了了一次难得的学习锻炼...
镇人代会代表资格审查报告文章标题:镇人代会代表资格审查报告**镇第一届人民代表大会代表资格审查报告(20xx年10月29日在**镇第一届人民代...
镇政府关于政府信息公开保密审查工作自查情况汇报市政府办政府信息公开科:依据《关于转发的通知》(都办发[20**]18号)文件的具体要求,中...
预决算审查室汇报材料****是全省23个革命老区之一,是国家扶贫开发和“兴边富民”工作重点县。县级财力水平低,财政收入规模小,2011年本级...
关于我公司保密资格审查认证的报告为全面启动我公司保密资格审查认证工作,依据《武器装备科研生产单位保密资格审查认证管理办法》和《武器...
•命题质量分析概述•命题质量审查意见•命题质量分析案例•命题质量提升建议CHAPTER命题质量分析的意义提高试卷命题质量通过分析命题的质...
附表1:安徽省民用建筑节能审查备案登记表一、建筑节能技术措施基本情况(章)设计单位施工名称单位工程名称体形系数S=V0/F0限值K≤1.0D≥3...
建筑工程施工招投标合法性审查一、招标人资格的合法性审查建筑工程招标是建筑工程施工的第一步,应当遵循公开、公平、公正和诚实信用的原则...
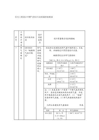
住宅工程设计中燃气供应专业质量控制要求序号工程设计项目设计技术标准设计质量控制点设计质量要求及控制措施一用气量确定GB50028-93“城镇...

