第1页共21页编号:时间:2021年x月x日书山有路勤为径,学海无涯苦作舟页码:第1页共21页特种设备检验工作质量评审记录()评审项目及内容评...
公路工程质量安全监督申请与受理为规范我省公路工程质量安全监督申请与受理的工作,按照国务院《建设工程质量管理条例》(国务院令第279号...
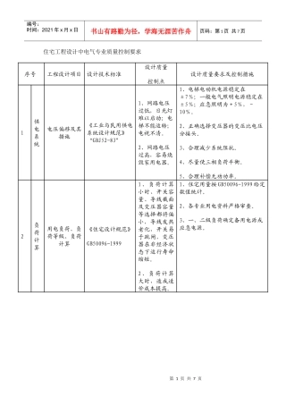
第1页共7页编号:时间:2021年x月x日书山有路勤为径,学海无涯苦作舟页码:第1页共7页住宅工程设计中电气专业质量控制要求序号工程设计项目...
第1页共13页编号:时间:2021年x月x日书山有路勤为径,学海无涯苦作舟页码:第1页共13页食品质量安全市场准入审查细则汇编十四、茶叶及相关...
第1页共22页编号:时间:2021年x月x日书山有路勤为径,学海无涯苦作舟页码:第1页共22页食品质量安全市场准入审查细则汇编三、调味品细则8...
第1页共5页编号:时间:2021年x月x日书山有路勤为径,学海无涯苦作舟页码:第1页共5页住宅工程设计中燃气供应专业质量控制要求序号工程设计...
一、粮食加工品细则1:小麦粉生产许可证实施细则一、发证产品范围及申证单元实施食品生产许可证管理的小麦粉产品包括所有以小麦为原料加工...
关于规范性文件备案审查工作情况报告市人大常委会:依照《中华人民共和国监督法》(以下简称《监督法》)和《XX省各级人民代表大会常务委员...
第1页共16页编号:时间:2021年x月x日书山有路勤为径,学海无涯苦作舟页码:第1页共16页住宅工程设计中给排水部分质量控制要求序号工程设计...
一、粮食加工品细则1:小麦粉生产许可证实施细则一、发证产品范围及申证单元实施食品生产许可证管理的小麦粉产品包括所有以小麦为原料加工...
先期審查與環境考量面鑑~ISO14000教材系列之三~如何施行環境先期審查(InitialReview)先期審查的定義,目的先期審查作業內容先期審查的範圍,...
第1页共3页编号:时间:2021年x月x日书山有路勤为径,学海无涯苦作舟页码:第1页共3页附件河南省2009年第三批建设工程质量检测机构资质审查...
第1页共9页编号:时间:2021年x月x日书山有路勤为径,学海无涯苦作舟页码:第1页共9页食品质量安全市场准入审查细则汇编十二、薯类和膨化食...
1诉讼羁押审查工作调查报告诉讼羁押,是指犯罪嫌疑人、被告人在刑事诉讼的过程中被剥夺人身自由的状态。与之类似表述的还有审前羁押和未决...
第1页共8页编号:时间:2021年x月x日书山有路勤为径,学海无涯苦作舟页码:第1页共8页住宅工程设计中暖通空调专业质量控制要求序号工程设计...
第二期进度款审查报告此次申报进度款部分申报单是价依照2011年第九期XX市场信息价为参考,并未按合同约定使用下调系数0.814。签证部分:1、...
第1页共11页编号:时间:2021年x月x日书山有路勤为径,学海无涯苦作舟页码:第1页共11页浙江省建设工程质量检测机构资质审查汇总表总序号地...
CCC工厂审查指南————工厂产品检测要求在国家认证认可监督管理委员会发布的产品强制性认证实施规则(以下简称认证实施规则)中,针对每...
一、粮食加工品细则1:小麦粉生产许可证实施细则一、发证产品范围及申证单元实施食品生产许可证管理的小麦粉产品包括所有以小麦为原料加工...
第1页共22页编号:时间:2021年x月x日书山有路勤为径,学海无涯苦作舟页码:第1页共22页食品质量安全市场准入审查细则汇编三、调味品细则8...

