电脑桌面
添加小米粒文库到电脑桌面
安装后可以在桌面快捷访问

燃气专业施工图审查内容及质量控制要求VIP免费

燃气专业施工图审查内容及质量控制要求_第1页
1/5
燃气专业施工图审查内容及质量控制要求_第2页
2/5
燃气专业施工图审查内容及质量控制要求_第3页
3/5
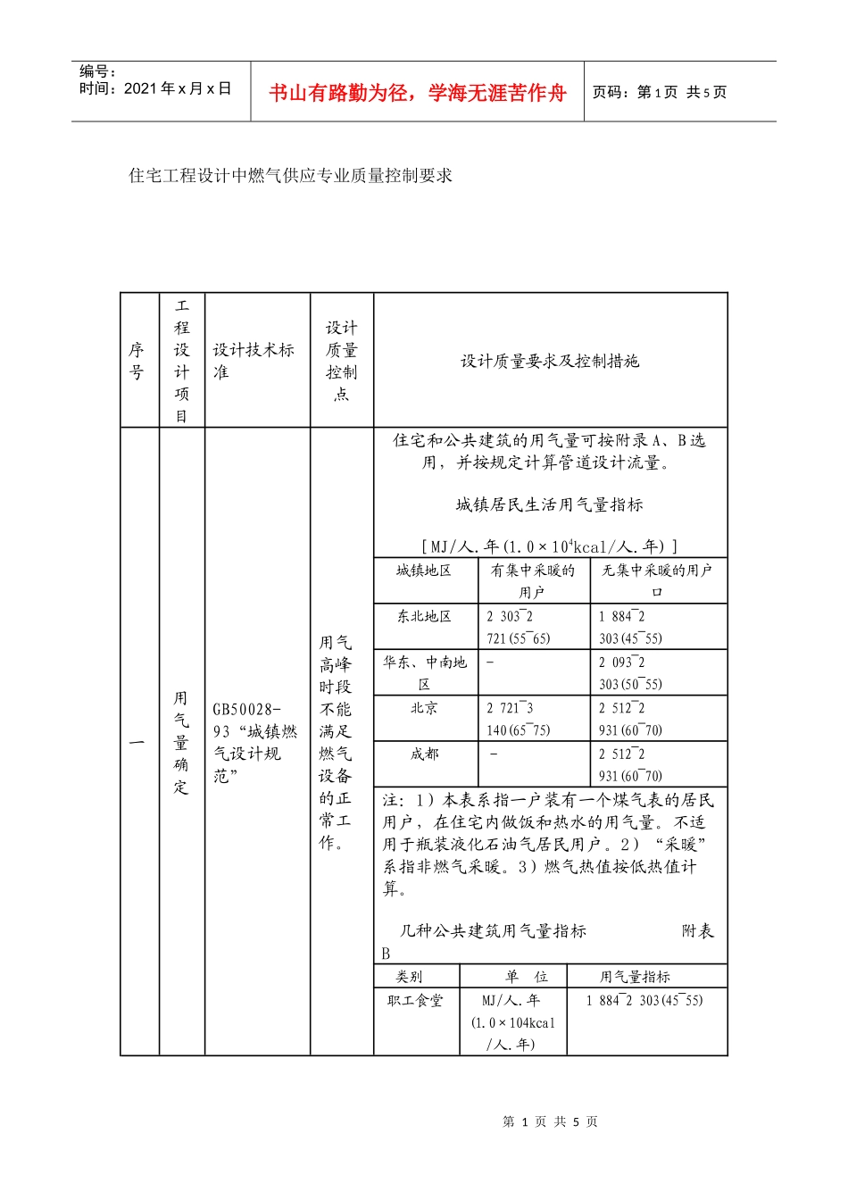
第1页共5页编号:时间:2021年x月x日书山有路勤为径,学海无涯苦作舟页码:第1页共5页住宅工程设计中燃气供应专业质量控制要求序号工程设计项目设计技术标准设计质量控制点设计质量要求及控制措施一用气量确定GB50028-93“城镇燃气设计规范”用气高峰时段不能满足燃气设备的正常工作。住宅和公共建筑的用气量可按附录A、B选用,并按规定计算管道设计流量。城镇居民生活用气量指标[MJ/人.年(1.0×104kcal/人.年)]城镇地区有集中采暖的用户无集中采暖的用户口东北地区2303~2721(55~65)1884~2303(45~55)华东、中南地区-2093~2303(50~55)北京2721~3140(65~75)2512~2931(60~70)成都-2512~2931(60~70)注:1)本表系指一户装有一个煤气表的居民用户,在住宅内做饭和热水的用气量。不适用于瓶装液化石油气居民用户。2)“采暖”系指非燃气采暖。3)燃气热值按低热值计算。几种公共建筑用气量指标附表B类别单位用气量指标职工食堂MJ/人.年(1.0×104kcal/人.年)1884~2303(45~55)第2页共5页第1页共5页编号:时间:2021年x月x日书山有路勤为径,学海无涯苦作舟页码:第2页共5页饮食业MJ/人.年(1.0×104kcal/人.年)7955~921(190~220)托儿所幼儿园全托MJ/人.年(1.0×104kcal/人.年)1884~2512(45~60)半托MJ/人.年(1.0×104kcal/人.年)1256~1675(30~40)医院MJ/床位.年(1.0×104kcal/人.年)2931~4187(70~100)旅馆招待所有餐厅MJ/床位.年(1.0×104kcal/人.年)3350~5024(80~120)无餐厅MJ/床位.年(1.0×104kcal/人.年)6700~047(16~25)高级宾馆MJ/床位.年(1.0×104kcal/人.年)8374~10467(200~250)理发MJ/床位.年(1.0×104kcal/人.年)3.35~4.1(0.08~0.1)注:1)职工食堂的用气量指标包括做副食和热水在内。2)燃气热值按低热值计算。序号工程设计项目设计技术标准设计质量控制点设计质量要求及控制措施二燃气供应方式GB50028-93“城镇燃气设计规范”压力波动大,燃烧不稳定。1、根据开发小区规划设计和城市燃气管网条件,可选用单级低压系统和中压、低压两级燃气输配系统。2、多层住宅宜采用低压入户系统,高层住宅宜选用中压入户,表前调压系统。第3页共5页第2页共5页编号:时间:2021年x月x日书山有路勤为径,学海无涯苦作舟页码:第3页共5页三户内燃气管敷设GB50028-97“城镇燃气设计规范”1、燃气泄漏。2、不易检修。3、不安全易中毒和爆炸。4、管道布置不整齐,影响装修和家具的摆放。1、燃气引入管不得敷设在卧室、浴室、地下室、配电间、变电室、电缆光、烟道、进风道内。2、燃气引入管应设在厨房或走廊等通风良好的非居住房间内。3、燃气引入管最小公称直径应符合下列要求:1)人工煤气不应小于25MM.2)天然气和液化石油气不小于15MM。4、室内燃气管应明设。5、燃气管穿越楼板、楼梯平台、墙壁时,必须安装在套管中。6、燃气管道敷设高度(从地面至管道底部)应符合下列要求:1)有人行走的地方,敷设高度不应小于2.2M.2)有车通行的地方,敷设高度不应小于4.5M。7、明设的燃气管道应用支架、管卡或吊卡固定。8、燃气管敷设坡度不应小于0.003。9、燃气管敷设应注意与墙面、电气设备、其它管道保持一定距离,不能影响家私的摆放和房间的使用。10、高层建筑的户外燃气管注意做好防雷、防静电和接地保护。第4页共5页第3页共5页编号:时间:2021年x月x日书山有路勤为径,学海无涯苦作舟页码:第4页共5页四燃气计量GB50028-93“城镇燃气设计规范”1、表计体积大2、安装的不美观3、计量、计费不准确4、抄表干扰住户。1、选用体小质优、精度高的煤气计量表。2、多层采用集中显示计量装置;高层宜安装在厨房,其位置应满足抄表、检修、保养和安全使用的要求。燃气表与燃具的水平净距离不得小于30CM,表底距地1.8M.3、经城市燃气管理部门同意可安装自动抄表系统。序号工程设计项目设计技术标准设计质量控制点设计质量要求及控制措施第5页共5页第4页共5页编号:时间:2021年x月x日书山有路勤为径,学海无涯苦作舟页码:第5页共5页四燃气计量GB50028-93“城镇燃气设计规范”1、表计体积大2、安装的不美观3、计量、计费不准确4、抄表干扰住户。4、选用体小质优、精度高的煤气计量表。5、多层采用集中显示计...

1、当您付费下载文档后,您只拥有了使用权限,并不意味着购买了版权,文档只能用于自身使用,不得用于其他商业用途(如 [转卖]进行直接盈利或[编辑后售卖]进行间接盈利)。
2、本站所有内容均由合作方或网友上传,本站不对文档的完整性、权威性及其观点立场正确性做任何保证或承诺!文档内容仅供研究参考,付费前请自行鉴别。
3、如文档内容存在违规,或者侵犯商业秘密、侵犯著作权等,请点击“违规举报”。

碎片内容

燃气专业施工图审查内容及质量控制要求

您可能关注的文档

确认删除?
VIP
微信客服
  • 扫码咨询
会员Q群
  • 会员专属群点击这里加入QQ群
客服邮箱
回到顶部