道路危险货物运输企业安全生产管理目标核查项目及具体内容考核项目核查内容核查考核情况备注1.负责人与责任1.1.负责人1.企业的主要负责人应...
表 3。1—3 油漆的理化性质及危险特性表标识中文名: 油漆英文名: Nitrocellulose wooden furniture varnish分子式:分子量:CAS ...
诸城奥铃汽车厂油漆工艺危险源辨识与风险评价一、转运工段...............................................................................
附件 1:河北省危险废物产生单位管理台账单位名称: (公章)声明:我特此确认,本台账所填写的内容均为真实。 单位负责人/法定代表人签...
危险化学品经营单位重要负责人作业考试题库及危险化学品经营单位重要负责人实操考试1、【判断题】储存危险化学品的仓库必须配置有专业知识...
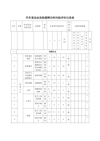
汽车客运站危险源辨识和风险评价记录表序号区域作业活动/设备名称危险源特性作业条件危险评价风险分级风险控制措施LECD=LEC程序/作业指导书...
汽油的理化性质及危险特性表标识中文名: 汽油CAS 号:8006—61-9主要成分:C4-C12脂肪烃和环烷烃危险性类别:第 3.1 类:低闪点易燃液体英...
污 水 处 理 厂 重 大 危 险 源 清 单部门: 编号:序号地点活动/产品/服务危险源危害/风险管 控 措 施备 注1配电房高压配...
污 水 处 理 厂 重 大 危 险 源 清 单部门: 编号:序号地点活动/产品/服务危险源危害/风险管 控 措 施备 注1配电房高压配...
污水处理厂危险点源辨识与控制 摘要:本文以污水处理 A/A/O 法工艺,污泥处理以污泥消化、脱水工艺为基础分析污水处理厂的危险因素和危...
污水处理厂危险有害因素及其防范1 中毒 硫化氢中毒自然成因 1、生物降解是在腐败作用主导下形成硫化氢的过程。腐败作用是在含硫有机质形...
危险化学品经营单位安全管理人员考试题及危险化学品经营单位安全管理人员考试试卷1、【单选题】腐蚀品按其腐蚀性的强弱可细分为( )级。(A...
重要负责人和安全管理人员机考机考题库单选题1、下列不属于重大事故具有的特点的是(C)。 A、扩散迅速 B、发生忽然 C、导致的破坏大 2、...
附件1 :江 苏 省 危 险 货 物 道 路 运 输 电 子 运单 管 理 平 台( 危 险 化 学 品 企 业 )操 作 手 册2...
江苏省危险废物管理暂行办法(修正)(1994 年 7 月 13 日江苏省人民政府令第 49 号公布 根据 1997 年 12 月 27 日江苏...
危险化学品企业安全生产标准化二级企业自 评 报 告 企业名称 江苏威耳化工有限公司 自评时间 2024 年 8 月 5 日 -2024 年 8...
江苏省安全生产监督管理局(通知)苏安监【2024】204 号关于印发《江苏省危险化学品企业安全生产标准化二级企业评审办法》的通知各市安监...
汞的理化性质及危险特性(表—)标识中文名:汞;水银危险货物编号:83505英文名:Mercury;Liquid silverUN 编号:2809分子式:Hg分子量:200...
危险化学品经营单位安全管理人员考试内容及危险化学品经营单位安全管理人员模拟考试题1、【单选题】危险化学品运送车辆应当悬挂或者喷涂符...
汛期危险源隐患排查表工程名称:成都华侨城 A 地块二期商业、办公、文化娱乐项目幕墙工程 工程地址:成都市交大立交、三环路外侧建设: 监...

