化学品危害预防与控制的基本原则众所周知,化学品是有害的,可人类的生活已离不开化学品,有时不得不生产和使用有害化学品,因此如何预防与...
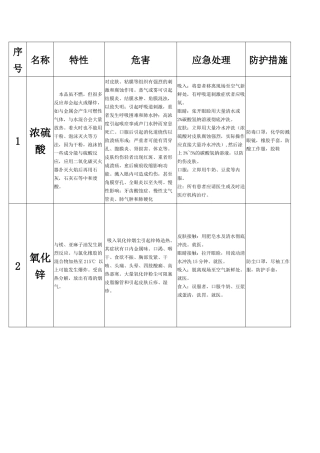
序号名称特性危害应急处理防护措施1浓硫酸本品虽不燃,但很多反应却会起火或爆炸,如与金属会产生可燃性气体,与水混合会大量放热。着火时...
化学品生产单位特殊作业安全培训考试题姓名:分数:一、判断题(本题共计30分,每题1分)1、可以用吊钩缠绕重物,但不得将不同种类或不同规...
化学品生产单位特殊作业安全规范一、填空题(每题1.5分,共75分)1、作业前,作业单位和生产单位应对作业现场和作业过程中可能存在的危险、...
中华人民共和国国家标准化学品生产单位特殊作业安全规范(GB30871-2014)2014-07-24发布2015-06-01实施11范围本标准规定了化学品生产单位设...
化学品生产单位特殊作业安全规范(GB30871-2014)试题部门:姓名:分数:单选题:(每题1分,共100分)1.下列作业中不需要办理动火作业许可...
化学品生产单位盲板抽堵作业安全规范(AQ3027-2008)1范围本标准规定了化学品生产单位设备管道的盲板要求、盲板抽堵作业安全要求、职责要求...
化验室常见危险化学品浓硫酸一、理化性质1、中文名:硫酸2、相对密度(水=1):1.83;相对密度(空气=1):3.43、熔点(℃):10.5,沸点(℃):330.04...
化学品生产单位高处作业安全规范(AQ3025-2008)1范围本标准规定了化学品生产单位的高处作业分级、安全要求与防护和《高处安全作业证》的管...
化学品生产单位动火作业安全规范(AQ3022-2008)1范围本标准规定了化学品生产单位动火作业分级、动火作业安全防火要求、动火分析及合格标准...
化学品生产单位动火作业安全规范文号:AQ3022—2008供稿:危化监管处发布日期:2010-08-10发布机构:危化监管处主题词:安全规范文字显示:...
9前言本标准第5.1条和第6章为强制性的,其余为推荐性的。本标准是根据化学品生产单位对动火作业的安全要求制定的。本标准的附录A为资料性附...
化学品生产单位吊装作业安全规范1范围本标准规定了化学品生产单位吊装作业分级、作业安全管理基本要求、作业前的安全检查、作业中安全措施...
化学品生产单位吊装作业安全规范(AQ3021-2008)前言本标准第5章、第6章、第7章、第8章和第9章为强制性条款其余为推荐性条款。本标准是根据...
化学品生产单位吊装作业安全规范(AQ3021-2008)1范围本标准规定了化学品生产单位吊装作业分级、作业安全管理基本要求、作业前的安全检查、...
化学品生产单位八大安全规范国家安全生产监督管理总局公告2008年第24号国家安全生产监督管理总局批准81项安全生产行业标准,自2009年1月1日...
生产部/谢春景1of9目录1﹒危险化学品的分类2﹒常见危险化学品的特性和安全使用方法3﹒危险化学品安全使用原则4﹒化学烧伤现场处理5﹒危险标...
目录氢氟酸化学品安全技术说明书................................................-4-三氯甲烷化学品安全技术说明书........................
1、安全护目镜用于预防高能量的飞溅物和灰尘。(1.0分)正确答案:对2、选用呼吸器、面防尘口罩、耳塞是为了预防职业病的发生。(1.0分)正确答...
深圳市xx化工有限公司文件编号文件标题化学品管理规定制订部门制订日期版次A0页码1/71、目的为加强公司危险化学品的生产、经营、使用、运输...

