.. 链条炉排 ( 炉拱、分段送风、二次风等改善燃烧工况的措施 ) 引风 —— 负压鼓风 —— 负荷炉排 —— 火床新控制策略主要特点...
T8(80)级 高强度 起重链条T8 级链条是采用先进的制链设备与先进的制链技术选用优质合金钢加工而成,其范围为: Φ 6-Φ 48,也可以根...
第 1 页 共 8 页细化安全管理措施铸牢安全管理链条细化安全管理措施铸牢安全管理链条尊敬的各位领导、各位同仁:一直以来,兴山烟草坚...
锅炉安装施工方案产品型号:DZL1.4-0.7/95/70-AⅡB 产品编号: 2011-13-05 使用单位:河北移动公司枣强分公司安装单位:河北宏泽锅炉制...
下载后可任意编辑自行车链条项目可行性讨论报告1下载后可任意编辑可行性研究报告 -11-12下载后可任意编辑第一章 项目概论一、 项目名称...
内蒙古京隆发电有限责任公司#1 炉捞渣机链条更换三措一案批准:审核:编写:2017 年 09 月 07 日1、存在的问题2、工作概况和工期3、...
滚子链条制造机械设备整厂输出技术转移SUPPL YING WHOLE PLANT OF ROLLER CHAIN MAKING MACHINERY AND EQUIPMENTS WITH TECHNI...
下载后可任意编辑深耕石墨烯学研产全链条深耕石墨烯学研产全链条 张麟 墨睿科技创始人蔡金明。我认为我应该为这个市场做点什么 随着电子...
下载后可任意编辑产学研协同创新全链条服务体系构建产学研协同创新全链条服务体系构建 摘要:科研机构、高校和企业共性技术知识协同创新已...
1 目 录第 1 章项目总论 .......................................................... 错误!未定义书签。1.1 项目概述 ............
1 / 11 万福生科造假链条:一粒金稻谷的霉变21 世纪经济报道朱益民深圳报道2012-11-28 00:55:31 评论 (3) 条 随时随地看新闻核心...
下载后可任意编辑35t/h 链条锅炉安装施工方案 一、工程概况:(一)工程简介1、工程名称:东营市第二中学锅炉房安装工程2、工程地点:东...
滚子链条制造机械设备整厂输出技术转移 SUPPL YING WHOLE PLANT OF ROLLER CHAIN MAKING MACHINERY AND EQUIPMENTS WITH TECH...
1 2 .5 链传动 2.5.1 链传动概述 链传动由两个链轮和绕在两轮上的中间挠性件——链条所组成。靠链条与链轮之间的啮合来传递两平行轴...
SW链条传动
链条的传动原理介绍及 SolidWorks制作过程 【3D 动力网】链传动由两个链轮和绕在两轮上的中间挠性件——链条所组成。靠链条与链轮之间的...
链条的传动原理介绍及 SolidWorks制作过程 【3D 动力网】链传动由两个链轮和绕在两轮上的中间挠性件——链条所组成。靠链条与链轮之间的...
链条的传动原理介绍及 SolidWorks 制作过程 【3D 动力网】链传动由两个链轮和绕在两轮上的中间挠性件——链条所组成。靠链条与链轮之间...
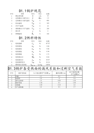
15t链条炉热力计算
1 10 吨 /时链条锅炉运行操作暂行规程 (司炉部分) 为保证锅炉安全经济运行,保障国家和人民的生产财产,确保生产正常进行,提高经济效...

