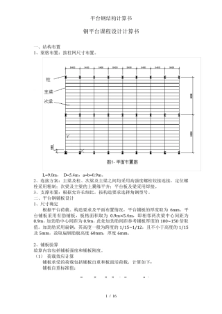
平台钢结构计算书 1 / 16 钢平台课程设计计算书 一、结构布置 1、梁格布置:按柱网尺寸布置。 L=9.0m, D=5.4m,a=b=0.9m。 2、连...
寿光市刑事技术平台 与其他系统接口对接方案 一、背景 目前,本市在刑事技术工作信息化建设方面已经取得了长足的进步。包括全国公安机关...
大数据系统项目培训方案� 目录 大数据系统项目培训方案 .............................................................................
1 大数据平台建设方案 (项目需求与技术方案) 一、项目背景 “十三五”期间,随着我国现代信息技术的蓬勃发展,信息化建设模式发生根本...
大数据发展服务中心一体化智能化公共数据平台(分平台) 目录 一、项目背景.............................................................
城 市 大 数 据 平 台 发 展 现 状 及 运 营 模 式 当 前 , 我 国 多 地 正 在 建 设 城 市 大 数 据 平...
1 / 6 在线学习平台的活动规划流程�对运营人员来说,活动运营是非常重要的一部分工作内容。那么细化到在线学习平台,组织运营一场活动...
卸料平台及移动式操作 平台监理细则( 总7 页) --本 页 仅 作 为文 档 封 面 , 使 用 时 请 直 接 删 除 即 可 --...
农村宅基地数字化平台项目建设方案 一、项目背景及依据 1、项目背景 根据中央文件精神和有关工作要求,按照中央和省委、省政府的统一部...
全域文旅大数据平台解决方案 1 目录 1. 政策背景....................................................................................
1 人口大数据平台解决方案 2 目录��1. 政策背景 ............................................................... 3 2 . 解决...
互联网平台运营合作合同范本正式版 甲方: 乙方: 签订地点: 签订时间: 编号: 甲方:______ 代表:______ 地址:______ 电话:...
黑 龙 江 移 动 核 心 网 专业 业 务 平 台 学 习 小 组 8 月 安 全 风 险 责 任意 识 考 试 1. 下 面 哪...
大数据技术实验报告 大数据技术实验一 Hadoop 大数据平台安装实验 1 实验目的 在大数据时代,存在很多开源的分布式数据采集、计算、...
Let the process speak, and the process is the only way to turn what is said into what is done.整合汇编 简单易...
(完 整 word 版 )大 数 据 平 台 项 目 论 证 方 案 大数据平台及应用建设项目 项 目 名 称 大 数 据 平 台 及 ...
远程心电监测平台技术指标本部分是项目设计和建设的技术根据,招标文献所列规定应视为确保系统工作所需的最低规定。投标人在方案设计时应充...
[单选] 1. 国家秘密是关系国家安全和利益,根据()拟定,在一定时间内只限一定范畴的人员知悉的事项。 对的答案:DA 工作需要B ...
目 录一、编制根据………………………………···…… 1二、工程概况………………………………………………………….…..1三、移动式操...
下载后可任意编辑房多多城市运营商平台授权协议(一级) 下载后可任意编辑房多多城市运营商平台授权协议(一级) 协议编号:一级 FSSQ-0...

