2017年秋季学期二(6)班选择题专项复习题姓名:班级:学号:1.下面各乘法算式,积最大的是()。①6×3②5×6③5×52.下面各乘法算式,与6...
2017年英语高考题英语部分(30分)七、选择题(本大题共10小题,每小题2分,共20分)从每小题所给的四个选项中,选出一个可以填入题中空白...
2017年高考命题原则和阅卷流程高考天天临近,高三的同学们,你们准备得怎么样了?本文总结了15条关于高考命题和阅卷的内幕,对你一定有帮助...
2017年秋季学期二(6)班“倍的认识”专项复习题姓名:班级:学号:1.白兔有35只,黑兔有5只。白兔的只数是黑兔的几倍?2.张爷爷家养了8只...
2017年4月自考审计学考试真题+解析一.单项选择题(本大题共20小题,每小题1分,共20分)1.对于注册会计师的欺诈行为,法院可判其(B)A.没...
绝密★启用前2017年普通高等学校招生全国统一考试理科数学本试卷5页,23小题,满分150分。考试用时120分钟。注意事项:1.答卷前,考生务必...
第二十章电与磁考点1磁现象与磁极1.能够吸引铁、钴、镍等物体的性质叫做_____.2.具有磁性的物体叫做______.能长期保持磁性的磁体叫做永磁体...
在Excel中,设单元格F1的值为38,若在单元格F2中输入公式“=IF(AND(38
2017年,我市遭遇了有气象水文记录以来最强降雨与最高水位洪峰袭击,市委、市政府坚强领导,带领全市上下众志成城,抵御洪魔,取得决定性胜...
****煤矿关于印发《安全风险分级管控工作制度》的通知各工区、机关各科室:为认真学习贯彻落实国家煤矿安监局关于印发《煤矿安全生产标准化...
2017年上海保险代理从业人员资格考试基础知识考试试卷本卷共分为1大题50小题,作答时间为180分钟,总分100分,60分及格。一、单项选择题(...
高考资源网(www.ks5u.com),您身边的高考专家绝密★启用前2017年普通高等学校招生全国统一考试理科数学一、选择题:本题共12小题,每小题...
2017年秋季学期二(6)班专项复习题姓名:班级:学号:1.同学们分类整理了图书角的图书,结果如下:(1)把上面的数据用不同颜色的色块表示...
国道黑河至大连公路克东拜泉界(滕家围子)至拜泉明水界段改扩建工程A25合同段(K368+000—K375+669.759)四新技术总结黑龙江省龙建路桥第...
石灰石项目可行性研究报告石灰石项目项目建议书2019年7月石灰石项目可行性研究报告目录1总论...............................................
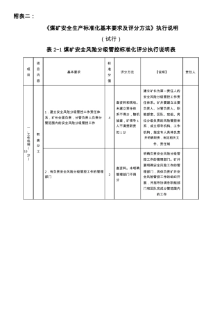
附表二:项目项目内容《煤矿安全生产标准化基本要求及评分方法》执行说明(试行)表2-1煤矿安全风险分级管控标准化评分执行说明表基本要求...
绝密★启用前2017年普通高等学校招生全国统一考试(天津卷)理科综合化学部分理科综合共300分,考试用时150分钟。化学试卷分为第Ⅰ卷(选择...
考生答题情况内容:以下哪个不属于常见的网络连接设备?A、调制解调器B、网络适配器C、路由器D、域名服务器标准答案:D学员答案:D本题得分:5...
2017年公需课标准化的理论、方法与实践答案
2017山西省联考即兴话题评述真题如何让你的团队有凝聚力如何看待志当存高远没有规矩不成方圆中国四大名著你喜欢哪个,为什么你对曹操评价最...

