食品出入库制度食堂食品出入库管理制度一、目的为明确和规范食堂仓库物料的进、出手续,避免造成公司财产的的损失和工作混乱,便于成本核算...
粮食出入库制度粮食出入库制度一、粮食出入库必须严格按照上级下达的有关文件和出库通知书。二、入库粮食入库按以下流程进行。准备—登记—...
模块四、入库学习目标学生能够详细叙述单证交接和货物交接时的核对内容;学生会办理单证和货物的交接;学生能够清楚说明商品数量和质量验收...
文件名称成品入库接收与发运管理规程文件编号QB-WI/07-012-00版本号00页码制定人制定日期审核人审核日期批准人批准日期生效日期管理部门仓...
2014年广西电网公司科技项目入库申报指南广西电网公司2014年10月2015年广西电网公司科技项目入库申报指南2014年广西电网公司科技项目入库申...
储运科入库开单员岗位说明书岗位名称入库开单员岗位编号所在部门营销总公司物流部储运科岗位定员直接上级储运科经理职系直接下级无工资等级...
原材料出入库管理制度1、目的为规范公司的仓储管理,加强对物资出入的有效监控和精确统计,提高原材料的有效利用率,降低原料成本和不合理...
粮食出入库智能化平台建设方案目录第一章项目背景.......................................................................................
淀粉糖产品入库、出库计量管理控制规定编制人:编制时间:审核人:审核时间:批准人:批准时间:二一三年七月〇目录一、目的.................
淀粉糖产品入库、出库计量管理控制规定编制人:编制时间:审核人:审核时间:批准人:批准时间:二一三年七月〇目录一、目的.................
第1页共1页编号:时间:2021年x月x日书山有路勤为径,学海无涯苦作舟页码:第1页共1页第9页Sinotrust酿酒公司供应处采购科酿酒公司供应处仓...
第1页共16页编号:时间:2021年x月x日书山有路勤为径,学海无涯苦作舟页码:第1页共16页停车入库实战高手技巧停车入库,是很多刚从驾校出来...
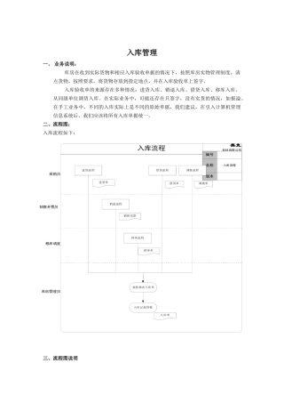
第1页共7页编号:时间:2021年x月x日书山有路勤为径,学海无涯苦作舟页码:第1页共7页入库管理一、业务说明:库房在收到实际货物和相应入库...
第1页共5页编号:时间:2021年x月x日书山有路勤为径,学海无涯苦作舟页码:第1页共5页入库管理一、业务说明:库房在收到实际货物和相应入库...
入库管理一、业务说明:库房在收到实际货物和相应入库验收单据的情况下,按照库房实物管理制度,清点货物,按照要求,将货物存放到指定地点...
入库管理一、业务说明:库房在收到实际货物和相应入库验收单据的情况下,按照库房实物管理制度,清点货物,按照要求,将货物存放到指定地点...
七、整托货物入库与在库作业综合作业核心技能模块1.试题编号:7-1整托货物入库与在库作业考核技能点编号:7-1、7-2、7-3、7-4、7-5、7-6、7...
出入库管理制度一、物品入库有关制度(一)物品采购回来后首先办理入库手续,由采购人员向仓库验收人员逐单交接。仓库验收人员要根据采购计...
第1页共8页编号:时间:2021年x月x日书山有路勤为径,学海无涯苦作舟页码:第1页共8页更多资料请访问.(.....)更多企业学院:...../Shop/...
练车总结倒车入库科目二练车经验;一、s弯1车头左角压外圈黄线进入并慢走,到半圆弧的中间后,方向盘应该在垂直位置稍多一点。不要动。这时...

