下载后可任意编辑日本留学签证条件 日本的留学签证误区 误区一:国内成绩不重要 很多申请人都误认为,反正要出国留学,国内成绩就无所谓...
下载后可任意编辑无固定期限劳动合同签订条件及应用前言在我国的劳动法中,规定了几种不同期限的劳动合同,包括固定期限劳动合同、无固定期...
下载后可任意编辑无固定劳动合同条件新甲方: 乙方: 签订地点: 签订时间: 合同编号: 下载后可任意编辑无固定劳动合同条件新 无固...
下载后可任意编辑旅游岗位职责与任职条件 投资总监的岗位职责任职条件以及应具备的能力 投资总监含义 投资总监,是企业投资项目的总负责...
下载后可任意编辑施工合同条件红皮书什么是施工合同条件红皮书?施工合同条件红皮书是指在施工合同中规定的合同条件的汇总,通常会用一本红...
下载后可任意编辑新西兰留学申请条件介绍 对于出国留学,想必很多人都不以为然,由于近几年出国留学的人数增多,所以人们对留学已经不在陌...
下载后可任意编辑新版附条件借款合同范本甲方: 乙方: 签订地点: 签订时间: 合同编号: 下载后可任意编辑新版附条件借款合同范本 ...
下载后可任意编辑新版附条件借款合同样书甲方: 乙方: 签订地点: 签订时间: 合同编号: 下载后可任意编辑新版附条件借款合同样书 ...
下载后可任意编辑新版附条件借款合同书第一部分:借款方介绍本合同书由以下各方签署:• 借款人:[姓名],身份证号码为 [身份证号码],住...
下载后可任意编辑新版附条件借款合同书甲方: 乙方: 签订地点: 签订时间: 合同编号: 下载后可任意编辑新版附条件借款合同书 借款...
下载后可任意编辑新版附条件借款合同引言本合同由以下各方于日期签订:• 借款人:[甲方姓名]• 出借人:[乙方姓名]• 担保人:[丙方姓名...
下载后可任意编辑新加坡留学移民需要什么条件 新加坡留学移民需要什么条件 新加坡留学移民需要什么条件?随着东南亚留学目的国的兴起,留...
下载后可任意编辑文秘写作者必备条件我们文秘写作,根据理论联系实际的原则,通过老师讲授写作,有法律规范,有步骤地、系统地加强写作训练...
下载后可任意编辑报考高级会计师的条件 申报高级会计师职务任职资格业务工作总结(精选多篇)第 1 篇第 2 篇第 3 篇第 4 篇第 5 ...
下载后可任意编辑报考中级会计师条件报考中级会计师条件 会计师指具有一定会计专业水平,经考核取得证书、可以接受当事人委托,以下是“报...
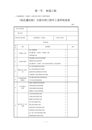
~ 1 ~第一节桩基工程一、钻孔灌注桩(立柱桩)分部分项工程开工条件审查表(钻孔灌注桩)分部分项工程开工条件检查表编号:单位工程名称...
附件:投资公司、融资租赁公司、小额贷款公司、担保公司、融资性担保公司的成立条件、申报要件及设立流程一、投资公司成立条件及设立流程(...
下载后可任意编辑房地产条件契约专业版甲方: 乙方: 签订地点: 签订时间: 合同编号: 下载后可任意编辑房地产条件契约专业版 出卖...
深圳经济适用住房申请条件程序 XX 市经济适用住房申请条件 经济适用住房的申请以已婚家庭或单亲家庭为基本申请单位。每个申请家庭应确定...
农村合作社登记管理条例成立条件 合作做社登记管理条例成立条件 主要分几步: 第一步:申领合作社法人营业执照 办理部门:工商行政管理...

