铸造厂安全教育培训讲义第一安全常识1、什么是安全生产安全生产是指在劳动生产过程中,要努力改善劳动条件,克服不安全因素,防止伤亡事故...
某铸造厂粉尘作业危害程度分级评定(作者李志荣,陈跃成)为了解铸造粉尘对作业工人的危害情况,我们对玉林某机械制造公司的铸造厂主要作业...
铸造厂操作工安全生产岗位职责一、在铸造厂认真学习、理解和严格遵守各项规章制度,努力提高安全意识,积极参加安全生产的教育和培训,不违...
铸造厂电器维修工安全技术试题一、选择题(每题2分,共30分)1、国际规定,电压(C)伏以下不必考虑防止电击的危险。A.36伏B.65伏C.25伏2、...
铸造厂消防安全管理制度我铸造厂为贯彻《中华人民共和国消防法》,坚持“预防为主,防消结合”的消防方针,采取先进的防火、防爆和救灾技术...
铸造厂生产管理制度目的:为了维持良好的生产秩序,提高劳动生产率,保证生产工作的顺利进行特制订以下管理制度。范围:适应于铸造厂全体工...
铸造厂安全事故应急救援预案制度一、总则l、我公司全体员工必须认真学习贯彻、执行安全生产的方针,模范遵守国家安全生产的法律、法规,认...
第1页共5页编号:时间:2021年x月x日书山有路勤为径,学海无涯苦作舟页码:第1页共5页《澧县星星社会福利铸造厂废渣回收3000t/a次氧化锌建...
第1页共6页【仅供参考】铸造厂车间经营下半年工作计划范文部门:_________姓名:_____________年___月___日(此文内容仅供参考,可自行修改...
集团公司铸造厂工作汇报各位领导:首先,我代表铸造厂职工,对集团公司领导前来检查指导工作,现场办公解决问题,表示衷心的感谢。下面根据...
某铝合金铸造厂生产废水处理工程设计方案建设单位:####################设计单位:河南清华水务有限公司编制日期:二O一五年十月摘要本方...
铸造厂职工“三最”调查工作实施措施根据集团公司对职工“三最”调查实施的要求,特制定本措施。一、领导小组组长:xxx副组长:xxxxxx成员...
铸造厂新员工培训及老员工转岗培训1.目的为配合工厂的发展目标,提升人力绩效,提升员工素质,增强员工对本职工作的能力与对企业文化的了解...
石景山区铸造村集资建房遗留项目5#、6#楼电气安装临电施工方案审批:审核:编制:北京首钢建设集团有限公司第一建筑工程分公司首房工程项目...
第1页共36页编号:时间:2021年x月x日书山有路勤为径,学海无涯苦作舟页码:第1页共36页摘要电力业对我国社会主义建设工农业生产和人民生活...
《澧县星星社会福利铸造厂废渣回收3000t/a次氧化锌建设项目环境影响报告书》简本工程概况一、项目背景及说明澧县星星社会福利铸造厂是澧县...
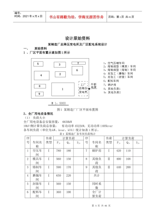
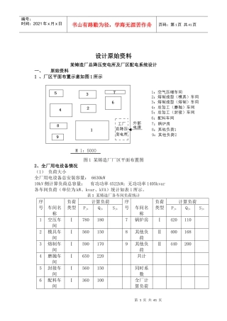
第1页共41页编号:时间:2021年x月x日书山有路勤为径,学海无涯苦作舟页码:第1页共41页设计原始资料某铸造厂总降压变电所及厂区配电系统设...
某铝合金铸造厂生产废水处理工程设计方案建设单位:####################设计单位:河南清华水务有限公司编制日期:二O一五年十月摘要本方...
论文题目:金属罐铸造厂生产计划的优化分析模型摘要本文使用线性规划的方法建立了生产计划的优化模型,合理规划了该工厂的日生产计划,使其...
论文题目:金属罐铸造厂生产计划的优化分析模型摘要本文使用线性规划的方法建立了生产计划的优化模型,合理规划了该工厂的日生产计划,使其...

