老年性耳聋如何选配助听器老年性耳聋应尽早佩戴助听器:由于人的衰老不可逆转,老年性耳聋是感音神经性耳聋和混合性耳聋组成,是不可以药物...
第三章原料选配与混合第一节原料选配一、纤维原料(一)棉花皮辊棉、锯齿棉长绒棉、细绒棉中国分级是按:成熟度、色泽、轧棉质量。纺织部...
70[黎小华李智文]黎小华女,工学硕士,助理工程师,广州市电信设计有限公司。从事通信电源空调咨询设计工作。李智文男,高级工程师,广州市...
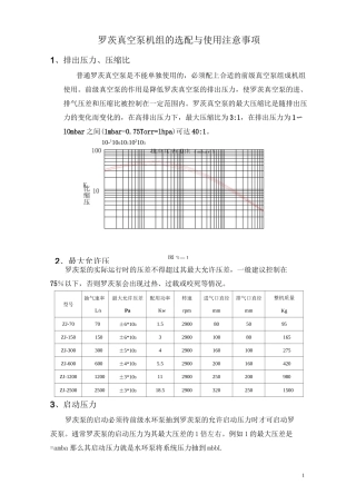
12、最大允许压图3-1罗茨真空泵机组的选配与使用注意事项1、排出压力、压缩比普通罗茨真空泵是不能单独使用的,必须配上合适的前级真空泵...
第1页共8页编号:时间:2021年x月x日书山有路勤为径,学海无涯苦作舟页码:第1页共8页电线电缆规格型号表2011-02-10型号名称适用范围YJV铜...
第二部分原料选配1、什么是棉花主体品级?如何理解主体品级?答:国标规定:含有相邻品级的一批棉花中,所占比例80%及以上的品级为主体品级...
城管局干部选配工作方案为加强城市管理行政执法局干部队伍组织建设,根据市委、市政府有关市直党政机关中层干部选配工作的精神和规定,结合...
村干部选配让“能人”上台方案措施村干部作为农民的带头人,有着重大责任,我们要让有能力的人当选村干部,你有哪些措施。下面小编带来的是...
村干部选配让“能人”上台方案措施村干部作为农民的带头人,有着重大责任,我们要让有能力的人当选村干部,你有哪些措施。下面小编带来的是...
城管局干部选配工作方案为加强城市管理行政执法局干部队伍组织建设,根据市委、市政府有关市直党政机关中层干部选配工作的精神和规定,结合...
常见地层施工工法及钻具选配三一重机工法研究院编制二零一五年七月淤泥层及砂层钻进及案例1回填土施工及案例2碎卵石层钻进及案例34石灰岩溶...
选配改革试点村党组织书记工作事迹“树起一面旗帜,激活一池春水”——道托镇选配改革试点村小店子村支部书记刘元振事迹刘元振,男,汉族,...
第二节有性杂交亲本的选择与选配、杂交后代的选择方法主要学习内容:•杂交亲本选择的原则•杂交亲本选配的原则•有性杂交后代的选择方法一...
畜禽繁殖与改良技术课程组项目三畜禽的选配任务一畜禽选配的实施任务一畜禽选配的实施畜禽繁殖与改良技术课程组选配是一种交配制度,他是根...
干部调整选配工作讲话范文精选干部调整选配工作的开展这样既可以学到不同的东西,又能锻炼自身。今天小编给大家带来的是,有兴趣的小伙伴可...
村干部选配让“能人”上台方案措施村干部作为农民的带头人,有着重大责任,我们要让有能力的人当选村干部,你有哪些措施。下面小编带来的是...
如何选配村两委的思考文章六篇下面是文秘网的小编为各位收集的如何选配村两委的思考文章六篇,请您参阅。如您需要符合您实际要求的,那么您...
计划生育机构人员选配意见各市人事局、人口计生委:目前全省农村综合配套改革工作正在有步骤地分批推进,为大力提高计划生育服务机构的服务...
城管局干部选配工作方案为加强城市管理行政执法局干部队伍组织建设,根据市委、市政府有关市直党政机关中层干部选配工作的精神和规定,结合...
在选配村党支部书记会话各位领导、同志们、村民代表们:在镇域范围内公开统筹选配村党支部书记,是全市农村基层干部选用制度的创新,对于进...

