电脑桌面
添加小米粒文库到电脑桌面
安装后可以在桌面快捷访问

真空 机组的选配VIP免费

真空 机组的选配_第1页
1/6
真空 机组的选配_第2页
2/6
真空 机组的选配_第3页
3/6
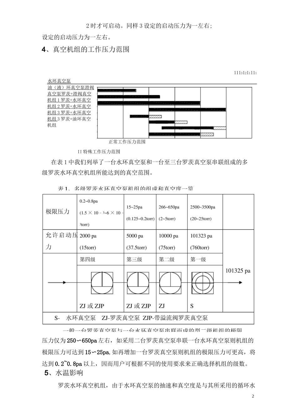
12、最大允许压图3-1罗茨真空泵机组的选配与使用注意事项1、排出压力、压缩比普通罗茨真空泵是不能单独使用的,必须配上合适的前级真空泵组成机组使用。前级真空泵的作用是降低罗茨真空泵的排出压力,使罗茨真空泵的进、排气压差和压缩比被控制在一定范围内。罗茨真空泵的最大压缩比是随排出压力的变化而变化的,在高排出压力下,最大压缩比为3:1,在排出压力为1〜lOmbar之间(1mbar=0.75Torr=lhpa)可达40:1。罗茨泵的实际运行时的压差不得超过其最大允许压差,一般建议控制在75%以下,否则罗茨泵会出现过热、过载或咬死等情况。型号抽气速率L/s最大允许压差Pa配用功率Kw转速rpm进气口直径mm排气口直径mm整机质量KgZJ-7070±6*1031.52900805095ZJ-150150±6*1033290010080165ZJ-300300±5*10342900160100275ZJ-600600±4*1035.52900200160420ZJ-12001200±3*103112900250200980ZJ-25002500±3*10318.5290032025015003、启动压力罗茨泵的启动必须待前级水环泵抽到罗茨泵的允许启动压力时才可启动罗茨泵。通常罗茨泵的启动压力为其最大压差的1倍左右。例如1的最大压差是=amba那么其启动压力就是水环泵将系统压力抽到mbbL10-1100101102103排出压力卩出(mbar)22时才可启动。同样3设定的启动压力为一左右;设定的启动压力为一左右。4、真空机组的工作压力范围11131211111水环真空泵油(液)环真空泵滑阀真空泵罗茨+滑阀真空机组1罗茨+水环真空机组2罗茨+水环真空机组3罗茨+水环真空机组3罗茨+油环真空机组正常工作压力范围II特殊工作压力范围在表1中我们列举了一台水环真空泵和一台至三台罗茨真空泵串联组成的多级罗茨水环真空机组所能达到的真空范围。压力仅为250〜650pa左右,如采用二台罗茨真空泵串联一台水环真空泵则机组的极限压力可达到15〜25pa,如再增加一台罗茨真空泵则机组的极限压力可更高,将达到0.2~0.8pa以上,因而用户可根据不同的使用要求来正确选择机组的级数。5、水温影响罗茨水环真空机组,由于水环真空泵的抽速和真空度是与其所采用的循环水表1、多级罗茨水环真空泵机组的组成和真空度一览一般一台罗茨真空泵与一台水环真空泵串联而成的型二级机组的极限3的温度密切相关的,水温越高水环泵的真空度就越差、抽速也越小。许多用户会发现罗茨水环机组中与水环泵相连的罗茨泵一般温度较高,特别是夏天的泵温会更高,其实就是因为水环泵循环水(液)的温度变化所造成的。水环泵的样本参数是指泵采用°C水作为工作液时的参考值,工作液的温度变化将会影响水环泵的抽气性能。表提供的参数,可以结合以下公式来换算出进水温度不在°C时水环泵抽除干燥空气的抽气能力。以下是泵的抽速换算公式:=X式中一在压力时泵的实际抽速—采用€水作为工作液在压力时的抽速参考水环泵性能曲线—入口压力托—工作液在实际温度时的饱和蒸汽压表为各温度时水的饱和蒸汽压水温(°)饱和蒸汽压饱和蒸汽压蒸汽比溶通常罗茨泵的真空度要比前级泵的真空度要提高一个数量级,比如水环泵用°C的循环水时的真空度(),那么罗茨泵+水环泵机组的真空度是左右,罗茨泵的最大压差为左右。由于罗茨真空泵的压差是受限制的,大泵所允许的压差反而小(参考罗茨泵性能参数表),所以与水环泵4相连的普通罗茨真空泵一般最大用到ZJ-以下,否则要采用气冷罗茨真空泵。除非前级水环泵采用低温冷冻水或前级泵采用更低饱和蒸汽压的工作液。6、前级泵的连接前级泵是为了降低罗茨真空泵的排出压力。所以前级泵的进口是与罗茨真空泵的排气口直接相连的(图3-2)。通常在罗茨真空泵与前级泵之间的连接管路上需连接一段弹性管,弹性管可以用金属波纹管,或特制的橡胶弹性管,也可以用内衬金属弹簧的软塑料管,一般大泵的连接都用金属波纹管,小泵的连接三者都可选用。连接管路与法兰等零件焊接加工后须经过气密性试验,法兰与法兰之间用O步的。止回阀是靠反压差使阀JZJS型罗茨水环泵真空机组结构示意图型橡胶密封圈或平面密封垫来密封。在罗茨真空泵的排气口与前级泵的吸入口的连接管上需安装一个电磁或手动充气阀,防止在前级泵停机后由于压差的作用把真空泵油倒吸入真空系统中去。如果前级泵为水环泵,还需安装止...

1、当您付费下载文档后,您只拥有了使用权限,并不意味着购买了版权,文档只能用于自身使用,不得用于其他商业用途(如 [转卖]进行直接盈利或[编辑后售卖]进行间接盈利)。
2、本站所有内容均由合作方或网友上传,本站不对文档的完整性、权威性及其观点立场正确性做任何保证或承诺!文档内容仅供研究参考,付费前请自行鉴别。
3、如文档内容存在违规,或者侵犯商业秘密、侵犯著作权等,请点击“违规举报”。

碎片内容

真空 机组的选配

您可能关注的文档

确认删除?
VIP
微信客服
  • 扫码咨询
会员Q群
  • 会员专属群点击这里加入QQ群
客服邮箱
回到顶部