SOA 流程管理平台的参考实现 6.3.1 流程管理平台基本思想 按照6.2 节"SOA 流程管理平台的功能"中的讨论,用户使用一个流程管理平台的...
1、101 路:渝工学院- 新余公交线路图(最新版) 1、101 路:渝工学院--火车站 线路走向:渝工学院南门--渝工学院-优惠区-二十五公司-仙...
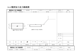
数控加工走刀路线图 零件图号 LWZ-01 工序号 1 工步号 2 程序号 %1000 机床型号 CK6132S 程序段号 N1-N8 加工内容 粗车右端...
位置与方向(二)例 3 路线图一、情境引入一、情境引入问题 1. 想一想,在说台风移动路线时,都要说明什么?(方向,距离) 此次台风...
14.4 数控加工走刀路线图数控加工走刀路线图零件图号 工序号2工步号2程序号O0002 机床型号KV650 程序段号 加工内容铣心型轮廓 共 6...
The research of XX Air-condition company Technology-roadmap establishment A Dissertation Submitted for the Degree of...
第四课时 会看简单的路线图(八个方向)课题 : 会看简单的路线图(八个方向) 教学目标 1、使学生会看简单的路线图(八个方向),并...
科技战略路线图与科技引领战略霍建国课件Contents目录• 科技战略概述• 科技战略路线图• 科技引领战略• 科技战略与经济发展• 未来...
中国啤酒,"体育营销"路线图"体育,拥有改变世界的力量!" "体育营销",拥有改变品牌的力量。只有身为战略家的营销领路人,才能真正打好"...
位置与方向(二)例3路线图一、情境引入一、情境引入问题1.想一想,在说台风移动路线时,都要说明什么?(方向,距离)此次台风的大致路径...
http://www.Lspjy.绿色圃中小学教育网com第二单元:位置与方向(二)描述简单的路线图浙江省诸暨市陶朱街道三益小学方灶娣绿色圃中小学教育...
..人类迁徙的路线图和人种的形成大约在8万年前,地球经历一次冰期,这是距今最大一次。整个欧压大陆北部被厚厚的冰雪覆盖,中部和南端则躺...
车用动力电池技术路线图介绍动力电池技术路线图编制组(肖成伟研究员)2016年12月07日厦门内容一、研究背景—新能源汽车国际现状目前在国际...
第二单元位置与方向(四)描述并绘制简单的路线图学校小亮家陈敏家北↑书店少年宫1、学校在小亮家的方向上3、小亮家在陈敏家的方向上4、少...
认识简单的路线图教学内容教材第20—22页教学目标1、让学生能辨认东、南、西、北四个方向。知道地图上东、南、西、北四个方向。使学生会看...
节能与新能源汽车技术路线图战略咨询委员会节能与新能源汽车技术路线图战略咨询委员会清华大学欧阳明高清华大学欧阳明高2016.10.262016.10....
OPCUA-工业4.0技术路线图工业4.0工业4.0简介工业4.0已成为近两年科技领域及财经领域的热门词汇,它是德国人根据自身的工业基础、生产经验...
看简单的路线图(一)教学内容:教材第5页例3及练习一第3、4题。教学目标:1.使学生会看简单的路线图(四个方向),并能描述行走的路线。2...
第5课时看简单的路线图(二)教学内容:教材第9页例5及练习二第5、6题。教学目标:1.使学生会看简单的路线图(八个方向),并能描述行走的...
第3课时看简单的路线图(一)教学内容:教材第5页例3及练习一第3、4题。教学目标:1.使学生会看简单的路线图(四个方向),并能描述行走的...

