. . jz* 岩石分类及硬度级别 岩石级别巩固程度代表性岩石 Ⅰ最巩固最巩固、致密、有韧性的石英岩、玄武岩和其他 各种特别巩固的岩石...
表:文案大全下面是几种常见的对照关系表:1vv 国家标准硬度 HLD/HRC/HRB/HV/HB/HSD 转换换算表副本>>抗拉强度RmN/mm2维氏硬度HV布氏硬...
地下水硬度升高的原因总结 硬度是以水中钙离子、镁离子、钡离子等非碱土金属以外的金属离子的总和来度量的。但是,除钙镁离子外,其他金属...
普氏岩石硬度系数知识由俄罗斯学者于 1926 年提出的岩石坚固性系数(又称普氏系数)至今仍在矿山开采业和勘探掘进中得到广范应用。岩石的...
模具钢硬度的检测方法模具钢是模具工业的主体材料,根据模具的服役条件、环境和状态的不同,模具钢应具备不同的特性。在工业生产中,模具使...
lCSD 备案号 MT中华人民共和国煤炭行业标准 MT/T XXXX—XXXX 代替 MT/T 206—1995 煤矿水硬度的测定方法Determination of hardne...
硬度来自 维客硬度hardness 固体材料表面抵抗弹性变形、塑性变形或破断的能力。它是衡量材料软硬程度的一个指标。抵抗能力越高,硬度值就...
配方设计与橡胶硬度的关系配方设计与橡胶硬度的关系 生胶品种 硫化体系 补强填充剂 软化增塑剂 邵尔 A 型硬度测定中的影响因素 1....
常用模具材料硬度一览表材料分类国际编号 欧洲编号 出厂硬度材料基本特性和塑胶模具用途S136H4201.2316HRC29-34S1361.2316HRC22-25 HRC4...
硬度是用来表征橡胶特性的最为广泛测量的性能之一。IRHD(国际橡胶硬度)硬度标度和邵尔硬度标度被广泛地使用。两种硬度计都有几种类型一IRHD...
普氏岩石硬度系数知识由俄罗斯学者于1926年提出的岩石坚固性系数(又称普氏系数)至今仍在矿山开采业和勘探掘进中得到广范应用。岩石的坚固...
石灰软化法使用石灰软化硬水的办法称为石灰软化法,又称石灰纯碱软化法,在硬水中加入消石灰,使水中的镁生成氢氧化镁沉淀,这样,加入碳酸...
钢材强度的里氏硬度检测方法N.1适用范围和测试仪器N.1.1里氏硬度方法可用于建筑中H型钢、钢管等钢构件钢材抗拉强度的现场无损检测。N.1.2本...
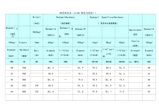
硬度换算表(以HRC硬度为基准)1Brinell(布氏)RockwellHardness(洛氏硬度)Rockwell(SuperficialHardness罗克韦尔表面硬度)Rockwell(...
洛氏硬度(HRC)、布氏硬度(HB)等硬度对照区别和换算洛氏硬度(HRC)、布氏硬度(HB)等硬度对照区别和换算硬度是衡量材料软硬程度的一个...
硬度知识一、硬度简介:硬度表示材料抵抗硬物体压入其表面的能力。它是金属材料的重要性能指标之一。一般硬度越高,耐磨性越好。常用的硬度...
硬度換算公式:1.肖氏硬度(HS)=勃式硬度(BHN)/10+122.肖式硬度(HS)=洛式硬度(HRC)+153.勃式硬度(BHN)=洛克式硬度(HV)4.洛式硬度(HRC)=勃式硬...
硬度换算表(以HRC硬度为基准)1—前桥教育Brinell(布氏)RockwellHardness(洛氏硬度)RockwellSuperficialHardness(罗克韦尔表面硬度)Rockwell...
课题:哪种材料硬课时安排1总课时20教材解读:本课从材料表现出来的基本物理性质之---硬度入手,引导学生用科学的刻划方法,根据实验结果,...
氧化物的硬度熔点课件目录contents•氧化物概述•氧化物的硬度研究•氧化物的熔点研究•氧化物硬度与熔点的关系•案例分析•总结与展望氧化...


