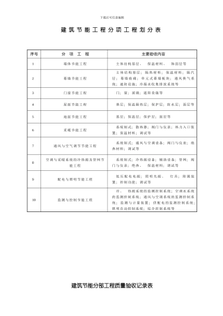
下载后可任意编辑建 筑 节 能 工 程 分 项 工 程 划 分 表序号分 项 工 程主要验收内容1墙 体 节 能 工 程主 体 结...
下载后可任意编辑天津经济技术开发区建筑节能工程质量控制要点及检查说明一、 建筑节能工程的检查依据: 1、 《住宅设计法律规范》 GB ...
下载后可任意编辑建筑节能施工组织设计12024 年 4 月 19 日xxxxxxxxx 项目 建筑节能施工组织设计编制人:____________________审核...
下载后可任意编辑建筑节能施工专项施工方案MicrosoftWord 文档 doc12024 年 4 月 19 日目 录一、编制依据...........................
下载后可任意编辑建筑节能施工专项方案1下载后可任意编辑无机保温砂浆内、 外墙保温工程专项施工方案1. 工程概况本工程为宝山区大场镇上...
下载后可任意编辑建筑节能方案12024 年 4 月 19 日下载后可任意编辑目 录一、工程概况…………………………………………………………...
下载后可任意编辑建筑节能工程监理实施细则12024 年 4 月 19 日下载后可任意编辑乐活城商住小区二期工程监理实施细则监理实施细则(节...
下载后可任意编辑建筑节能工程监理细则范本12024 年 4 月 19 日 项目建 筑 节 能 工 程监 理 细 则(范 本)项目监理机构: ...
下载后可任意编辑建筑节能工程监理实施细则12024 年 6 月 23 日石景山区五里坨保障房工程建筑节能工程监理实施细则 北京赛瑞斯国际工...
下载后可任意编辑建筑节能工程施工质量验收法律规范12024 年 4 月 19 日下载后可任意编辑《建筑节能工程施工质量验收法律规范》GB5041...
下载后可任意编辑建筑节能工程住宅公共建筑类施工质量检查表12024 年 4 月 19 日下载后可任意编辑附表 1:表 1-1 建筑起重机械责任...
下载后可任意编辑建筑节能工程施工质量验收法律规范1下载后可任意编辑《建筑节能工程施工质量验收法律规范》建筑节能工程施工质量验收法律...
下载后可任意编辑建筑节能工程专项施工方案建筑节能工程专项施工方案12024 年 4 月 19 日下载后可任意编辑湖南省第八工程有限公司2202...
下载后可任意编辑建筑节能工作三年专项行动方案12024 年 4 月 19 日下载后可任意编辑建筑节能工作三年专项行动方案建筑节能是城乡建设...
下载后可任意编辑建筑节能分部工程专项验收方案12024 年 4 月 19 日下载后可任意编辑沿河县田坝移民安置房工程建筑节能分部工程专项验...
下载后可任意编辑建筑节能分部工程施工方案12024 年 4 月 19 日下载后可任意编辑建筑节能分部工程施工方案工程名称: 和信国际一期 ...
下载后可任意编辑附件 2 建筑节能专项检查项目汇总表序号工程名称建设单位设计单位审图单位监理单位施工单位工程类型存在问题南宁市1第三...
下载后可任意编辑建筑节能专项施工方案12024 年 4 月 19 日下载后可任意编辑建筑节能专项施工方案★ 编制依据 1、《建筑节能工程施...
下载后可任意编辑建筑节能专项施工方案外公路12024 年 4 月 19 日下载后可任意编辑第一章 引言根据财政部、住房城乡建设部最近向社会...
下载后可任意编辑建筑节能专项方案12024 年 4 月 19 日星城·皇御园一期工程 11#楼建筑节能专项施工方案一、工程概况1.1 恩施星城·...

