电脑桌面
添加小米粒文库到电脑桌面
安装后可以在桌面快捷访问

建筑节能检验批模板

建筑节能检验批模板_第1页
1/17
建筑节能检验批模板_第2页
2/17
建筑节能检验批模板_第3页
3/17
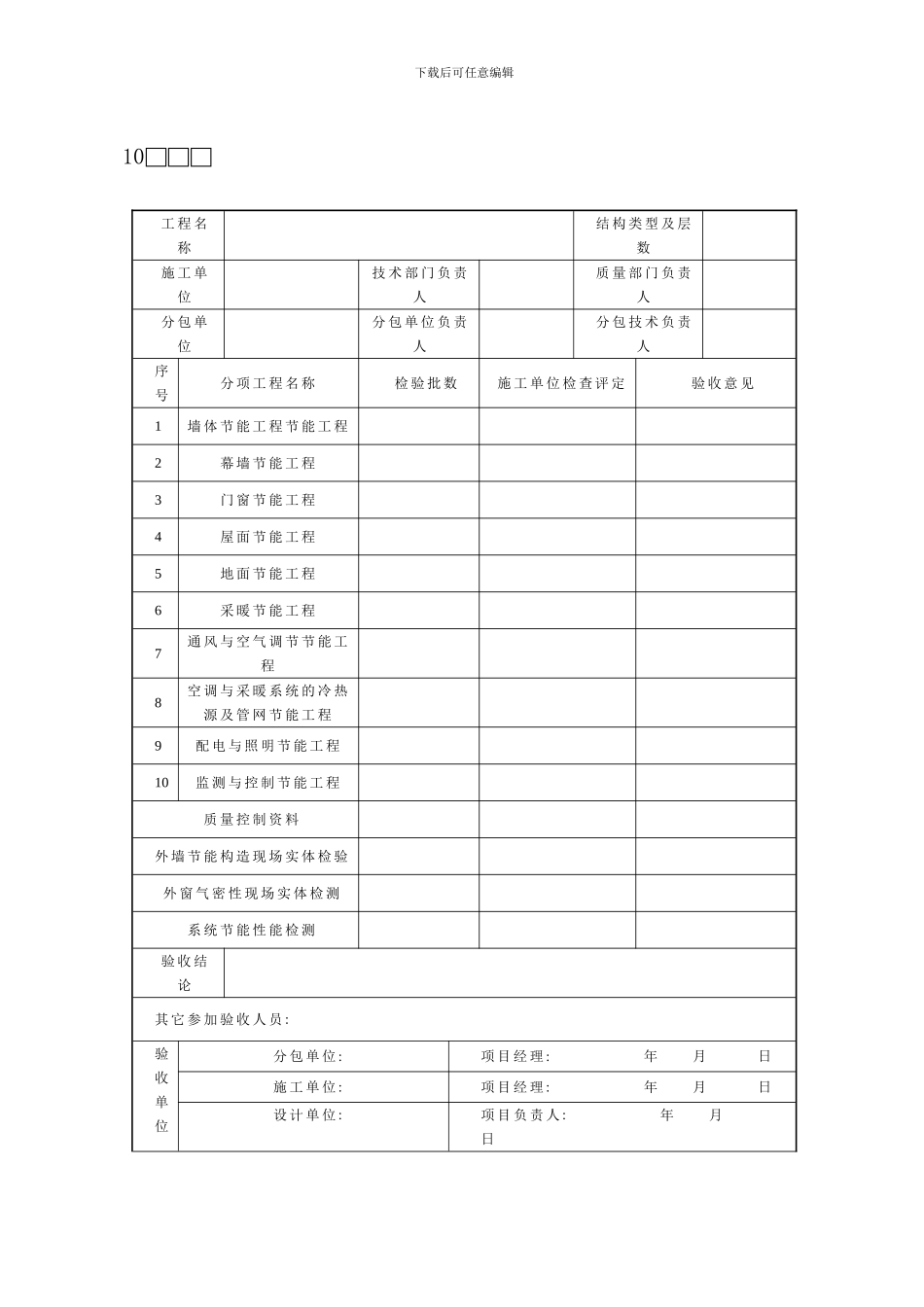
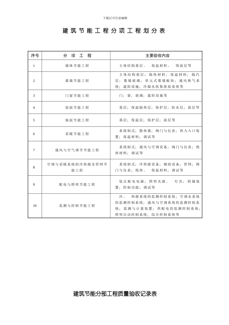
下载后可任意编辑建 筑 节 能 工 程 分 项 工 程 划 分 表序号分 项 工 程主要验收内容1墙 体 节 能 工 程主 体 结 构 基 层 、 保 温 材 料 、 饰 面 层 等2幕 墙 节 能 工 程主 体 结 构 基 层 ; 隔 热 材 料 ; 保 温 材 料 ; 隔 汽层 ; 幕 墙 玻 璃 ; 单 元 式 幕 墙 板 块 ; 通 风 换 气 系统 ; 遮 阳 设 施 ; 冷 凝 水 收 集 排 放 系 统 等3门 窗 节 能 工 程门 ; 窗 ; 玻 璃 ; 遮 阳 设 施 等4屋 面 节 能 工 程基 层 ; 保 温 隔 热 层 ; 保 护 层 ; 防 水 层 ; 面 层 等5地 面 节 能 工 程基 层 ; 保 温 层 ; 保 护 层 ; 面 层 等6采 暖 节 能 工 程系 统 制 式 ; 散 热 器 ; 阀 门 与 仪 表 ; 热 力 入 口 装置 ; 保 温 材 料 ; 调 试 等7通 风 与 空 气 调 节 节 能 工 程系 统 制 式 ; 通 风 与 空 调 设 备 ; 阀 门 与 仪 表 ; 绝热 材 料 ; 调 试 等8空 调 与 采 暖 系 统 的 冷 热 源 及 管 网 节能 工 程系 统 制 式 ; 冷 热 源 设 备 ; 辅 助 设 备 ; 管 网 ; 阀门 与 仪 表 ; 绝 热 、 保 温 材 料 ; 调 试 等9配 电 与 照 明 节 能 工 程低 压 配 电 电 源 ; 照 明 光 源 、 灯 具 ; 附 属 装置 ; 控 制 功 能 ; 调 试 等10监 测 与 控 制 节 能 工 程冷 、 热 源 系 统 的 监 测 控 制 系 统 ; 空 调 水 系 统的 监 测 控 制 系 统 ; 通 风 与 空 调 系 统 的 监 测 控 制 系统 ; 监 测 与 计 量 装 置 ; 供 配 电 的 监 测 控 制 系 统 ; 照 明 自 动 控 制 系 统 ; 综 合 控 制 系 统 等建筑节能分部工程质量验收记录表下载后可任意编辑 10□□□工 程 名称结 构 类 型 及 层数施 工 单位 技 术 部 门 负 责人质 量 部 门 负 责人分 包 单位分 包 单 位 负 责人分 包 技 术 负 责人序号分 项 工 程 名 称检 验 批 数施 工 单 位 检 查 评 定验 收 意 见1墙 体 节 能 工 程 节 能 工 程2幕 墙 节 能 工 程3门 窗 节 能 工 程4屋 面 节...

1、当您付费下载文档后,您只拥有了使用权限,并不意味着购买了版权,文档只能用于自身使用,不得用于其他商业用途(如 [转卖]进行直接盈利或[编辑后售卖]进行间接盈利)。
2、本站所有内容均由合作方或网友上传,本站不对文档的完整性、权威性及其观点立场正确性做任何保证或承诺!文档内容仅供研究参考,付费前请自行鉴别。
3、如文档内容存在违规,或者侵犯商业秘密、侵犯著作权等,请点击“违规举报”。

碎片内容

建筑节能检验批模板

确认删除?
VIP
微信客服
  • 扫码咨询
会员Q群
  • 会员专属群点击这里加入QQ群
客服邮箱
回到顶部