生产建设项目水土保持监测技术规程(征求意见稿)二〇一四年九月目录1总则................................................................
城镇水土保持监督执法工作方案为全面贯彻《省水土保持条例》,有效防治城镇开发建设过程中的水土流失,积极推进我区城镇水土保持工作,根据...
学习国标《开发建设项目水土保持技术规范》讲稿---------地质勘察及相关工程部分陈祖熀现就国标水土保持技术规范中,对工程地质与地质灾害...
全省水土保持工作会议致辞尊敬的司长,各位领导,大家好:四月的滨州,春风送暖,万物复苏,在这生机勃发、春光明媚、孕育希望的季节里,我...
水土保持方案(水保方案)报告书格式[五篇范例]生产建设项目水土保持方案报告书格式模板一、审批流程、资质说明及相关规定1、水土保持方案审...
水土保持方案审批请示水土保持方案审批请示一XX省水利厅:104国道黄岩民建至北洋连接线工程起点位于黄岩民建村东,与104国道(即黄岩印山路...
在全省水土保持会议上的致辞尊敬的司长,各位领导,大家好:四月的滨州,春风送暖,万物复苏,在这生机勃发、春光明媚、孕育希望的季节里,...
类别:编号:水土保持监测报告表项目建设单位:法定代表人:地址:联系人:电话:送交时间:第1页某某项目水土保持工程建设与管理单位概况...
开展上海市开发建设项目水土保持监督执法专项行动工作方案根据水利部10月15日全国水土保持监督执法专项行动启动视频会议水利部鄂竟平副部长...
第1页共30页编号:时间:2021年x月x日书山有路勤为径,学海无涯苦作舟页码:第1页共30页开发建设项目水土保持工程概(估)算编制规定总则1....
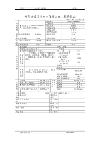
深圳市*************水土保持方案设计(初设)开发建设项目水土保持方案工程特性表填表日期:2006年3月项目规模本项目位于***************...
类别:批复编号:开发建设项目水土保持方案报告表项目名称:德钦县扭巴村砂石料场建设项目送审单位(个人):德钦县扭巴村砂石料场法定代表人...
深圳市*************水土保持方案设计(初设)开发建设项目水土保持方案工程特性表填表日期:2006年3月项目规模本项目位于***************...
第1页共31页编号:时间:2021年x月x日书山有路勤为径,学海无涯苦作舟页码:第1页共31页开发建设项目水土保持工程概(估)算编制规定总则1....
水土保持方案资料清单水土保持方案资料清单1、水土保持方案报告书编制任务委托书。2、项目可行性研究报告,可研报告是否需要审查,什么时候...
全省水土保持工作会议致辞文章标题:全省水土保持工作会议致辞尊敬的司长,各位领导,大家好:四月的滨州,春风送暖,万物复苏,在这生机勃...
精品文档精品文档开发建设项目水土保持技术规范(GB50433-2008)(含条文说明)建设部/国家质量监督检验检疫总局2008-01-14联合发布,2008-...
水土保持开幕致辞值此人类进入新千年之初,第**国际水土保持大会在北京召开,我们高兴地迎来了全球各地的水土保持科学家聚会北京,共同探讨...
城市水土保持生态建设工作方案一、指导思想以“三个代表”重要思想为指导,以保护和改善城市区生态环境,防治水土流失,促进城镇经济可持续...
城镇水土保持监督执法工作方案为全面贯彻《省水土保持条例》,有效防治城镇开发建设过程中的水土流失,积极推进我区城镇水土保持工作,根据...

