电脑桌面
添加小米粒文库到电脑桌面
安装后可以在桌面快捷访问

开发项目水土保持设计VIP免费

开发项目水土保持设计_第1页
1/64
开发项目水土保持设计_第2页
2/64
开发项目水土保持设计_第3页
3/64
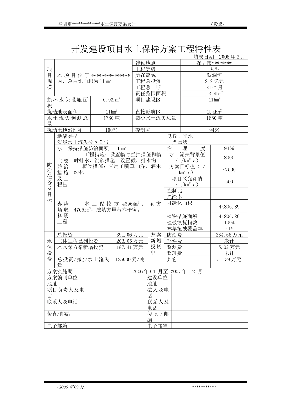
深圳市*************水土保持方案设计(初设)开发建设项目水土保持方案工程特性表填表日期:2006年3月项目规模本项目位于***************内,总占地面积为11hm2。建设地点深圳市********工程等级大型所在流域观澜河工程总投资2.2亿元工程总工期21个月责任范围面积13.4hm2损坏水保设施面积0.02hm2项目建设区11hm2扰动地表面积11hm2直接影响区2.4hm2水土流失预测总量1760吨减少水土流失总量1650吨扰动土地治理率100%控制率94%防治任务及目标地貌类型低丘、平地省级水土流失分区公告严重级水土保持措施防治面积11hm2治理度94%主要防治措施及工程量工程措施:设置临时拦挡措施和临时排水、沉砂措施,设置截、排水沟。植物措施:采用了喷草加乔、灌木绿化。水土流失背景值(t/km2.a)8000方案目标值(t/km2.a)<500项目区允许值(t/km2.a)500控制比弃渣场取料场工程本工程挖方46964m3,填方47052m3,挖填方量基本平衡。拦渣率可绿化面积44806.89植物措施面积44806.89植被恢复指数100%林草植被覆盖率41%水保投资总投资391.06万元方案新增投资中防治费334.66万元主体工程已列投资203.65万元补偿费未计本水保方案新增投资187.41万元监测费5.02万元监理费未计总投资/减少水土流失量125000元/吨其它51.39万元方案实施期2006年04月至2007年12月方案编制单位建设单位地址地址项目负责人及电话法人及电话联系人及电话联系人及电话传真/邮编传真/邮编电子邮箱电子邮箱(2006年03月)***********深圳市********生产基地水土保持方案设计(初设)1.前言********股份有限公司,其主要发起人深圳南方制药厂,成立于1985年,由深圳**********有限公司为主要发起人,联合****、********、********、********,共同发起设立的股份有限公司。在长期的生产经营活动中,********股份有限公司坚持以“发展高科技产品”作为立厂之本,发展速度惊人,实现大规模,跨行业生产经营。公司推出一批享誉全国的名牌产品。********目前的主要生产基地南方制药厂创立年代较早(始建于80年代),厂区占地仅4万平方米,离国际先进水平和现行的GMP规范要求尚有很大差距。许多方面甚至成为制约企业发展的瓶颈。随着医药行业贯彻执行药品生产治疗管理规范(GMP)的日益深入,以及加入WTO带来的国外竞争,为确保核心企业的核心地位,********股份有限公司于2002年在位于深圳市********的深圳市高新技术产业带观澜园区内。深圳独立坐标(X=35600,Y=114900),征地约11hm2,进行********新生产基地的建设。(2006年03月)***********1深圳市********生产基地水土保持方案设计(初设)本项目已经于2003年6月完成第一次建筑方案设计并得到深圳市有关部门批准(深计[2003]272号),并于2004年6月完成大部分施工图设计,后因故暂停。现项目已经重新启动,根据三九公司的最新要求,本次建筑方案设计在满足观澜园区总体要求的基础上,对原规划设计的总图布置、建筑造型、内部功能进行了较大的调整。根据中华人民共和国《开发建设项目水土保持方案技术规范》等行业标准要求,我院于2006年2月26号接受********股份有限公司委托后,对场地及其周边环境条件进行了详细踏勘,结合********生产基地发展规划要求及主体工程设计方案,编制了《********生产基地水土保持方案设计》,方案编制深度为初步设计。本方案水土保持工程总投资391.06万元。(2006年03月)***********2深圳市********生产基地水土保持方案设计(初设)2方案编制总则2.1方案编制的目的和意义2.1.1编制的目的(1)全面贯彻落实《中华人民共和国水土保持法》及其相关法律、(2006年03月)***********3深圳市********生产基地水土保持方案设计(初设)法规,明确项目建设单位防治水土流失的责任、义务和范围。(2)在调查工程对建设区及周边区域水土保持设施的破坏情况的基础上,预测因工程建设可能造成的新增水土流失量,提出相应的防治对策和具体的水土保持措施,为工程建设的水土保持工作提供技术依据,最大限度地减少水土流失。(3)落实法律规定的水土流失防治义务,为项目建设的水土流失防治工作提供必要的技术保证。(4)为水行政主管部门水土保持监督执法及管理工作...

1、当您付费下载文档后,您只拥有了使用权限,并不意味着购买了版权,文档只能用于自身使用,不得用于其他商业用途(如 [转卖]进行直接盈利或[编辑后售卖]进行间接盈利)。
2、本站所有内容均由合作方或网友上传,本站不对文档的完整性、权威性及其观点立场正确性做任何保证或承诺!文档内容仅供研究参考,付费前请自行鉴别。
3、如文档内容存在违规,或者侵犯商业秘密、侵犯著作权等,请点击“违规举报”。

碎片内容

开发项目水土保持设计

您可能关注的文档

确认删除?
VIP
微信客服
  • 扫码咨询
会员Q群
  • 会员专属群点击这里加入QQ群
客服邮箱
回到顶部