KBZ2系列矿用隔爆型真空馈电开关目录一、概述...................................................................................1二、...
QBZ-80/660(380)矿用隔爆型真空电磁起动器使用说明书山东容力达矿用电器第2页共13页编号:时间:2021年x月x日书山有路勤为径,学海无涯苦...
KBZ2系列矿用隔爆型真空馈电开关目录一、概述...................................................................................1二、...
第1页共4页编号:时间:2021年x月x日书山有路勤为径,学海无涯苦作舟页码:第1页共4页上海三星广电电子器件有限公司SSED公司地址:上海市松...
第10页共3页编号:时间:2021年x月x日书山有路勤为径,学海无涯苦作舟页码:第10页共3页GB-9B型电子管毫伏表使用说明书一、用途GB-9B型电...
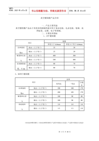
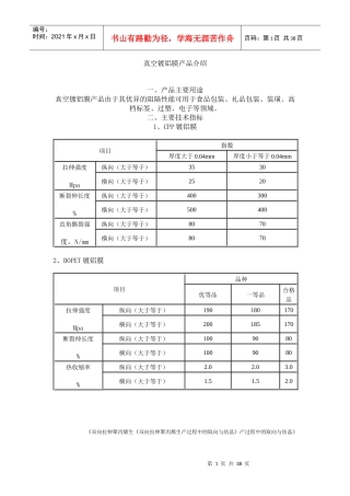
第1页共30页编号:时间:2021年x月x日书山有路勤为径,学海无涯苦作舟页码:第1页共30页一、概述1.1产品特点及用途KBZ系列矿用隔爆型真空馈...
第1页共6页编号:时间:2021年x月x日书山有路勤为径,学海无涯苦作舟页码:第1页共6页SUNLIPS真空隐形尺(真空隐形笔袋)说明(餐饮系统)1...
练泥机(真空练泥机)工安全操作规程1.检查练泥机起重运输设备及起吊工具应完好;检查练泥机螺旋或铰刀片与螺旋装卡应牢固。2.输送、装卸泥...
真空镀膜机平安治理规定真空镀膜设备是电阻加热式蒸发真空镀膜设备。操作人员必须详细阅读该机说明书,理解设备构造、工作原理、操作程序并...
真空覆膜机平安操作规程通过标准作业程序,覆膜机的平安使用,防止因不标准操作而造成意外。真空覆膜机1.上班前检查压料装置和各转动部位、...
福州江阴港铁路支线工程集装箱装卸场真空堆载联合预压施工方案中铁七局福州江阴港铁路支线项目部2010年1月中铁七局福州江阴港铁路支线工程...
第1页共9页编号:时间:2021年x月x日书山有路勤为径,学海无涯苦作舟页码:第1页共9页商品推销计划书第2页共9页第1页共9页编号:时间:2021...
浙建监B1施工组织设计/(专项)施工方案报审表工程名称:温州市机场片区永兴北单元(0577-WZ-JC-01)经五路二期(纬二路~纬三路)市政道路工程...
ProposedDesignPhilosophy,Construction,InstallationandMonitoringMethod(asper22.1.7ofsection1.0)1.Sourceofborrowspitindicatingtheloc...
ProposedDesignPhilosophy,Construction,InstallationandMonitoringMethod(asper22.1.7ofsection1.0)1.Sourceofborrowspitindicatingtheloc...
浅谈真空冶炼炉用奥氏体不锈钢的焊接缺陷及预防措施奥氏体不锈钢具有良好的焊接性,目前工业上应用最广,本文比较详细的分析了奥氏体不锈钢...
真空断路器操作过电压的防范真空断路器具有灭弧电压低、灭弧能力强、分断速度快、开断容量大、使用寿命长、适应频繁操作等特点。已在电力、...
真空皮带机作业风险分析1.皮带机检修作业人员必须认真学习本措施,考试合格后方可上岗作业。2.皮带机检修人员必须熟知自己的职责范围,熟练...
GB中华人民共和国国家标准GBXXXX—20XX渗泄漏检测系统第二部分:压力及真空系统Leakdetectionsystems-Part2:Pressureandvacuumsystems(BS...
双室真空烧结炉功能及注意事项一、功能简介真空烧结炉是兼有油冷和加压气冷功能的双室卧式真空热处理设备。主要适用于粉末冶金烧结,小型高...

