区政府关于新环保法执行情况的汇报XX县区新《环境保护法》执行情况报告XX县区人民政府尊敬的区人大常委会林主任、各位副主任,各位常委、委...
当前文档修改密码:8362839附件东北区域输供电企业许可准入制度执行情况自检自查表东北区域输供电企业许可准入制度执行情况自检自查表一2...
第1页共122页编号:时间:2021年x月x日书山有路勤为径,学海无涯苦作舟页码:第1页共122页变电站工程施工安全强制性条文通用部分执行记录表...
区财税体制执行情况分析报告一、新一轮市与区财税体制运行基本情况:20*年市对区执行新一轮财政体制以来,我区财政一般预算收入从体制改革...
年度执行情况报告关于大学年度执行情况报告是讲述大学年度财务方面预算的执行情况的一个详细方案报告。以下这篇来自资料下载网整理的年度执...
森林防火目标管理责任状执行情况自检自查报告[推荐五篇]xx乡2011年森林防火目标管理责任自检自查报告县森林防火指挥办:根据《森林防火条例...
乡镇严肃换届纪律执行情况自查报告根据县纪委《关于开展县乡领导班子换届纪律执行情况检查的通知》,我镇对镇领导班子换届纪律执行情况进行...
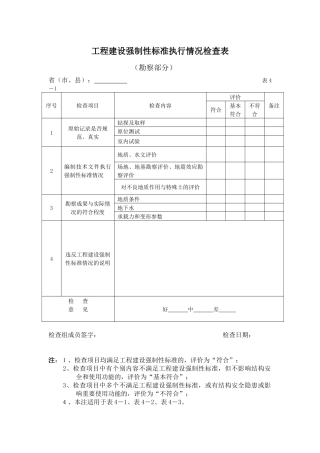
工程建设强制性标准执行情况检查表(勘察部分)省(市、县):表4-1序号检查项目检查内容评价备注符合基本符合不符合1原始记录是否规范、...
第1页共19页编号:时间:2021年x月x日书山有路勤为径,学海无涯苦作舟页码:第1页共19页LJA1-5安全生产责任制考核记录施工单位:工程名称:日...
ODD(D):DD:ODDLJA1-5DDDDDDDDDDDDD:DDDDDDDDDDDDDDDDDDDDDDDDDDDDDLJA1-5T□□□□□□□□□□第工程部□□□□□□□□□□□□□□该工...
2017安全生产责任制执行情况汇总安全生产责任制执行情况考核表部门:公司姓名:职务或岗位:总经理安全生产责任制《安全生产责任制度》执行...
第1页共17页编号:时间:2021年x月x日书山有路勤为径,学海无涯苦作舟页码:第1页共17页附件6建筑工程施工强制性标准条文执行情况统计表(...
县人大检查土地法贯彻执行情况的汇报各位主任、委员:首先,对县人大视察、指导、支持我县国土资源工作表示热烈欢迎和衷心感谢。下面,我按...
县人民检察院XX年工作目标执行情况自查报告2016年,我院在县委和上级检察院的坚强领导下,在县人大及其常委会的法律监督XX县区政协的民主监...
县司法局行政执法“三制”执行情况自查报告县人大常委会办公室:为加强社会主义法制建设,加大执法监督的力度,保证宪法.法律和行政法规的...
县国土局政务信息网上公开执行情况自查报告市国土资源局:根据市局《关于转发《国土资源部办公厅关于开展2013年国土资源政务信息网上公开执...
县国土资源局政务信息网上公开执行情况自查报告2014年,我局认真贯彻落实好省国土资源厅、市国土资源局的工作指示和要求,按照《中华人民共...
县家电下乡政策执行情况报告随着家电下乡政策的结束,为圆满完成我县家电下乡工作,切实加强资金监管,确保财政资金安全,按照省、市财政和...
县环保局关于目标责任制执行情况的自查报告县人民政府:20**年,在县委、县政府的正确领导下,在县人大、县政协的监督支持下,在上级环保部...
县直单位财经纪律执行情况监督检查工作情况汇报根据随县监发[20**]1号文件精神,我们县纪委监察局、县财政局、县审计局组成联合检查组,...

