食品安全检查记录表序号 食品安全防范 措施 检查情况及结论 检查人 整改落实情况 实施人 1 库房物品是否离地离墙 2 库房防蝇防...
食品安全管理自查表自查时间: 检 查 项 目结果环境卫生厨房内墙壁、天花板、门窗等是否有涂层脱落或破损食品生产经营环节是否干净防蝇...
项目部定期安全检查记录 编号: 工程名称靖西县民族高中教学楼检查时间2014 年 3 月 15 日检查人员 存在问题及隐患:1、部分工人安...
华润奉天九里花园项目部安全检查方案2012 年 4 月 1 日前言以人为本,安全第一安全生产事故应急要始终把保障员工的生命安全和身体健康...
序号检查项目检查内容1节日值班有无节日值班表且下发2是否安排加班3是否有节日安全工作安排4重要岗位是否有防范措施5暂时未整改完的隐患是...
1 治安、消防管理1.对项目服务中心(包括销售中心、商家、会所、办公区域等)进行治安、消防全面检查。2.节前务必完成辖区火灾自动报警...
磷化铝熏蒸杀虫的安全检查与防护(教案)第一章 磷化铝相关知识简介一、概述 磷化铝作为杀灭害虫的剧毒药剂,具有作用迅速,效果明显,操...
磷化铝熏蒸杀虫的安全检查与防护概述----------------------- -----------------------日期:磷化铝熏蒸杀虫的安全检查与防护(教案)第一...
电网调度专业安全检查标准----------------------- -----------------------日期:更 多 资 料 请 访 问 .(.....) 更多企业学院:...
物业节前安全检查要点及法律规范物业节前安全检查要点及法律规范 重点做好服务区域内秩序维护工作 要仔细落实物业各岗位值班工作,值班电...
燃气联合循环电厂工程安全检查记录表燃机发电工程安全检查记录表目录1、 建筑施工安全检查记汇总表 32、 安全管理检查记录表(表 1) ...
煤矿自查自纠安全检查情况 安全生产自查情况汇报 根据市曲建环发【2024】 54 号文件和仔细贯彻省政府召开的“深化开展安全生产领域打非...
消防安全检查的容与检查方法依据《机关、团体、企业、事业单位消防安全管理规定(公安部令第(61 号)》一、消防安全检查的频次防火科每月...
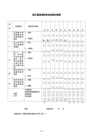
施工现场消防安全巡查记录表单位: 巡查时间: 年 月填表说明:检查时发现问题在对于的 画“√”序号巡查项目是否存在问题日日日日日日...
机械安全检查操作手册----------------------- -----------------------日期:机械安全检查指导书1 起重机械 1.1 适用围 本项目适用于...
春节安全检查新闻稿春节检查新闻稿春节安全检查新闻稿春节检查新闻稿 xxxx 年春节、 藏历新年的脚步已经渐渐步近, 人们慢慢地沉醉于喜...
施工现场安全技术资料之五安 全 检 查1、安全检查制度2、安全检查记录3、隐患整改报告书4、责令停止违法行为通知5、建筑施工安全检查评...
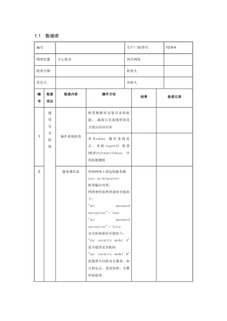
1.1数据库编号生产厂商/型号12-5-4物理位置中心机房所在网络检查日期检查人责任人审核人编号检查项目检查内容操作方法结果检查记录1通用安...
建设工程施工安全检查评价表----------------------- -----------------------日期:建 设 工 程 安 全 监督阶 段 评 价 书安监...
安全巡视检查记录表检查类型 清明节节后安全巡查 编号: 001 工程名称凭祥-宁明贸易加工区产业大道工程检查时间 年 月 日检查单位崇...

