沈丘县大唐·九龙府上邸住宅小区 砂浆搅拌防护棚搭设 施工方案 编制人: (项目技术负责人) 审核人: (项目经理) 审批人: (公...
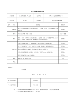
安全防护棚搭设验收表 工程名称 星河国际小学、幼儿园 施工单位 江苏成章建设集团有限公司 项目经理 殷森平 验收部位 东面钢筋机械...
下载后可任意编辑防护棚搭设方案范本防护棚位于料坊大桥分离式大桥____号墩与____号墩之间的 205省道,为防护桥面坠物,保护行人、车辆安...
下载后可任意编辑德宏防护棚搭设方案范文料坊大桥跨省道 205 改线桥防护棚搭设方案防护棚位于料坊大桥分离式大桥____号墩与____号墩之间...
下载后可任意编辑德宏防护棚搭设方案____浦东软件园三期 b 地块 1 标工程防护棚搭设施工____设计一、工程概况:本工程位于晨晖路与亮秀...
详解外脚手架及外架防护棚搭设小小施工员夕卜架综合管理规定、建筑工程实行施工总承包的,外架专项方案应当由施工总承包单位编制。附着脚手...
- 1 - 住 宅 、 商 业 项 目 ( 中 城 时 代 ) 活 动 房 防 护 棚 搭 设 施 工 方 案 上 海 建 工 二 ...
人行道临时防护棚搭设施工方案2020 年 5 月 13 日1目录l工程概况………………………………………………………………………………22编...
下载后可任意编辑德宏防护棚搭设方案德宏州位于云南省西南边陲,是一个地处于船营盆地中的山区,气候温暖潮湿,雨量充沛。由于地理区位特别...
1 / 14 一、编制依据1、《建筑施工安全检查标准》JGJ59-99. 2、《扣件式钢管脚手架安全技术规范》JGJ130-2011. 3、《安装施工工艺操作...
下载后可任意编辑防护棚搭设施工方案1下载后可任意编辑防护棚搭设施工方案目 录l 工程概况…………………………………………………………...
下载后可任意编辑防护棚搭设施工专项方案1下载后可任意编辑嘉兴东方·普罗旺斯( 二期) 六标段( 133~136#楼及地下车库) 防护棚搭设施工...
下载后可任意编辑出入口护头棚搭设方案12024 年 4 月 19 日目 录一、施工概况.......................................................
《人行通道防护棚搭设方案》 1 目 录 一、工程概况与现场现状 ......................................................................
下载后可任意编辑防护棚搭设施工方案一、工程概况1.工程名称:上海中曼石油装备有限公司临港建设项目2.建设单位:上海中曼石油装备有限公司...
祝桥二期 4#地块配套商品房 9〜18#楼一、工程概况:2二、编制依据:2三、防护棚搭设布置 2四、防护棚的搭设 3五、防护棚搭设的质量要求...
惠南实验中学——宿舍、学生食堂工程外 脚 手 架 、 防 护 棚 搭 设施工专项方案福建泉州市二建工程有限公司二 0 一二年八月外...
德宏防护棚搭设方案 德宏宾馆工程 防护棚搭设施工组织设计 一、工程概况: 本工程位于 XX 县区张江镇张江路、江东路,场地内建一栋十...
绵阳至西充高速公路工程项目施工技术方案报审单承包单位:四川公路桥梁建设集团有限公司合同号: TJA3 监理单位:四川跃通公路工程监理有...
仅供参考 [整理 ] 第 1 页 共 8 页安全管理文书施工现场变压器防护棚搭设施工方案日期: __________________单位: ____________...

