电脑桌面
添加小米粒文库到电脑桌面
安装后可以在桌面快捷访问

安全防护棚搭设验收表

安全防护棚搭设验收表_第1页
1/8
安全防护棚搭设验收表_第2页
2/8
安全防护棚搭设验收表_第3页
3/8
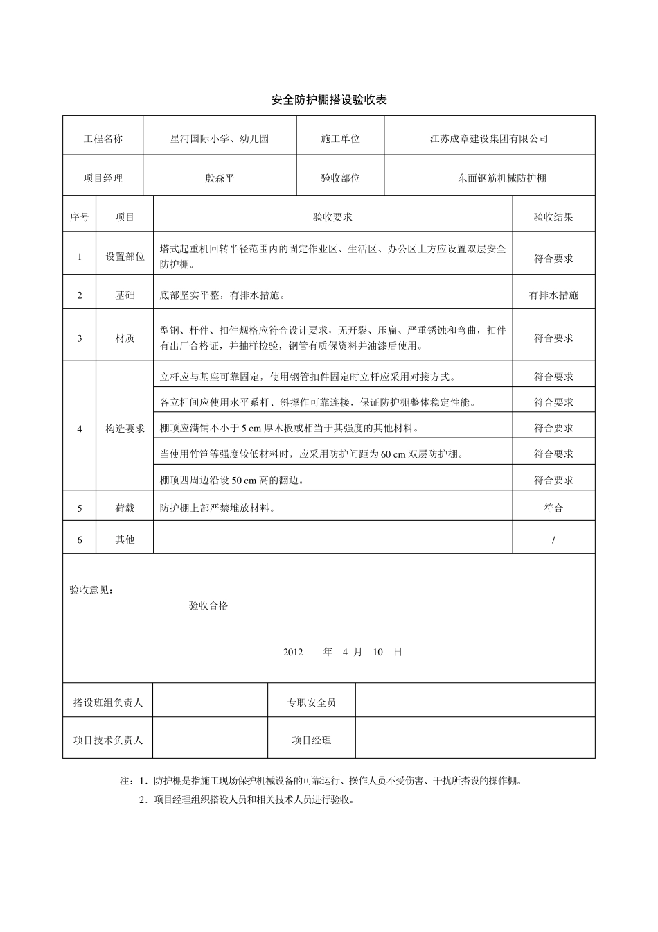
安全防护棚搭设验收表 工程名称 星河国际小学、幼儿园 施工单位 江苏成章建设集团有限公司 项目经理 殷森平 验收部位 东面钢筋机械防护棚 序号 项目 验收要求 验收结果 1 设置部位 塔式起重机回转半径范围内的固定作业区、生活区、办公区上方应设置双层安全防护棚。 符合要求 2 基础 底部坚实平整,有排水措施。 有排水措施 3 材质 型钢、杆件、扣件规格应符合设计要求,无开裂、压扁、严重锈蚀和弯曲,扣件有出厂合格证,并抽样检验,钢管有质保资料并油漆后使用。 符合要求 4 构造要求 立杆应与基座可靠固定,使用钢管扣件固定时立杆应采用对接方式。 符合要求 各立杆间应使用水平系杆、斜撑作可靠连接,保证防护棚整体稳定性能。 符合要求 棚顶应满铺不小于 5 cm 厚木板或相当于其强度的其他材料。 符合要求 当使用竹笆等强度较低材料时,应采用防护间距为 60 cm 双层防护棚。 符合要求 棚顶四周边沿设 50 cm 高的翻边。 符合要求 5 荷载 防护棚上部严禁堆放材料。 符合 6 其他 / 验收意见: 验收合格 2012 年 4 月 10 日 搭设班组负责人 专职安全员 项目技术负责人 项目经理 注:1.防护棚是指施工现场保护机械设备的可靠运行、操作人员不受伤害、干扰所搭设的操作棚。 2.项目经理组织搭设人员和相关技术人员进行验收。 安全防护棚搭设验收表 工程名称 星河国际小学、幼儿园 施工单位 江苏成章建设集团有限公司 项目经理 殷森平 验收部位 南面钢筋机械防护棚 序号 项目 验收要求 验收结果 1 设置部位 塔式起重机回转半径范围内的固定作业区、生活区、办公区上方应设置双层安全防护棚。 符合要求 2 基础 底部坚实平整,有排水措施。 有排水措施 3 材质 型钢、杆件、扣件规格应符合设计要求,无开裂、压扁、严重锈蚀和弯曲,扣件有出厂合格证,并抽样检验,钢管有质保资料并油漆后使用。 符合要求 4 构造要求 立杆应与基座可靠固定,使用钢管扣件固定时立杆应采用对接方式。 符合要求 各立杆间应使用水平系杆、斜撑作可靠连接,保证防护棚整体稳定性能。 符合要求 棚顶应满铺不小于 5 cm 厚木板或相当于其强度的其他材料。 符合要求 当使用竹笆等强度较低材料时,应采用防护间距为 60 cm 双层防护棚。 符合要求 棚顶四周边沿设 50 cm 高的翻边。 符合要求 5 荷载 防护棚上部严禁堆放材料。 符合 6 其他 / 验收意见:...

1、当您付费下载文档后,您只拥有了使用权限,并不意味着购买了版权,文档只能用于自身使用,不得用于其他商业用途(如 [转卖]进行直接盈利或[编辑后售卖]进行间接盈利)。
2、本站所有内容均由合作方或网友上传,本站不对文档的完整性、权威性及其观点立场正确性做任何保证或承诺!文档内容仅供研究参考,付费前请自行鉴别。
3、如文档内容存在违规,或者侵犯商业秘密、侵犯著作权等,请点击“违规举报”。

碎片内容

安全防护棚搭设验收表

确认删除?
VIP
微信客服
  • 扫码咨询
会员Q群
  • 会员专属群点击这里加入QQ群
客服邮箱
回到顶部