一、建设项目竣工决算主要工作及相关要求(一)建设项目竣工决算阶段主要工作1.组织竣工验收2.编制竣工图纸3.编制财务竣工决算报告4.组织竣...
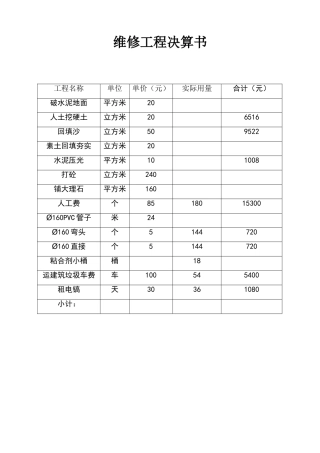
维修工程决算书工程名称单位单价(元)实际用量合计(元)破水泥地面平方米20人土挖硬土立方米206516回填沙立方米509522素土回填夯实立方米...
浅谈水利工程竣工决算审计 1、浅谈水利工程的竣工决算审计随着市场经济的不断深化进展,工程建设投资主体的多元化,建设工程的审计工作业...
浅谈水利工程的竣工决算审计 1、浅谈水利工程的竣工决算审计浅谈水利工程的竣工决算审计简介:工程审计是既严厉 又繁琐的工作,要求审计...
工程编号:沈阳市科技专项资金决算报表工程名称: 单位名称〔章〕: 工程方案文号: 工程建设期: 单位所有制形式: 单位性质: 法人...
XXX 工程决算审计实施方案根据 xxx 的审计计划,xxx 派出竣工决算审计组 10 人,对 xxx 工程进行竣工决算审计。为了明确决算审计目...
1/6公司财务决算及下年度财务预算报告各位代表:受大会委托,我向大会作财务报告,请审议。一、XX 年度财务决算XX 年是 XX 公司发展史...
页脚内容 12基本建设项目竣工财务决算审核报告模板)(表内蓝色字体为固定格式不允许修改,灰色标记部分为填报部分,(括号中红色字体为说...
•1•附件 1:建设项目名称:基本建设项目竣工财务决算报表编报单位(签章):报送日期:基本建设项目竣工财务决算审批表•2•表一:建设...
德宏州鱼种站 2024 部门决算 1、德宏州鱼种站 2024 年度部门决算第一部分德宏州鱼种站的概况一、主要职能二、部门基本状况第二部分 2...
年度财务决算应注意的几个事项 年度财务决算是企业年末工作的重头戏,是企业全年经营成果的汇总和反映,更是摸清“家底”为来年做规划编预...
工程决算报告甲方:唐山中视金桥房地产开发有限公司乙方:邯郸第一建筑公司审核方:总说明工程名称:迁西县金桥国际小区工程一、工程概况:...
审计业务约定书甲方: 乙方: 兹由甲方委托乙方进行 基本建设竣工决算审计,经双方协商,达成以下约定:一、业务范围与审计目标(一)乙...
2DDDDDDDDDDDDDDDDDDDDDDDDDDDD竣工验收与决算管理制度第一章总则DDDDDDDDDDDDDDDDDDDDDDDDDDDDDDDDDDDDDDDDDDDDDDDDDDDDDDDDDDDDDDDDDDDDD...
关于工程竣工决算审核的管理层声明书天职国际会计师事务所并××注册会计师:本公司已委托贵所对本公司[ 根据实际工程项目名称填写 ] 基...
在物流园区基础设施建设项目竣工决算审计进点会上的表态发言 在物流园区基础设施建设项目竣工决算审计进点会上的表态发言第1 篇 XXX 尊...
•1•附件 1:建设项目名称:基本建设项目竣工财务决算报表编报单位(签章):报送日期:基本建设项目竣工财务决算审批表•2•表一:建设...
竣工财务决算审计工作实施方案竣工财务决算审计工作方案1、审计目标为了加强对工程建设项目竣工财务决算审计,提高其投资项目资金的使用效...
1电话:(0991)*******传真:0991—地址:新疆 E—mail:新疆吉木萨尔*****给水改造项目建设工程竣工决算审计报告新疆吉木萨尔******给水...
歯歯%工程竣工财务决算审核(计)报告歯歯歯(公司或局):我们接受委托,于 mfM^年歯月歯歯日口歯歯日,对歯歯歯(公司或局)(以下简称...

