高聚物改性沥青卷材防水施工工艺施工工艺一、外防外贴法外防外贴法是待结构边墙(钢筋混凝土结构外墙)施工完成后,直接把卷材防水层贴在边...
屋面防水改造工程施工方案一、编制依据:1、根据国家建设部新修订的国家标准《屋面防水工程质量验收规范》GB50207—2012标准,2、根据签订...
SBS改性沥青卷材屋面防水施工方案第一章概述1.1编制原则1.1.1根据施工现场所处的地理位置、施工环境、工程特点,结合我方的施工能力、技术...
屋面SBS改性沥青卷材防水现场施工工艺
无胎卷材生产线(YH-4000)改造项目岳阳东方雨虹防水技术有限责任公司无胎卷材生产线(YH-4000型)改造项目可行性研究报告二○一六年十二月...
地下沥青油毡卷材防水层施工本工艺标准适用于建筑工程地下沥青油毡卷材、沥青胶结材料铺贴防水层工程。2施工准备2.1材料及要求:2.1.1卷材...
技术交底记录表C2-1编号024工程名称交底日期施工单位分项工程名称卷材防水交底提要地下室外墙卷材防水施工技术交底交底内容:一、材料要求...
关键工序(通用版)编制:审批:公司年月日编号:XX-XX-XX目录1、施工准备……………………………………………………………12、施工工艺流...
无胎卷材生产线(YH-4000)改造项目岳阳东方雨虹防水技术有限责任公司无胎卷材生产线(YH-4000型)改造项目可行性研究报告二○一六年十二月...
内容摘要:本文主要介绍分条机的用途、工艺要求、控制方式、控制难点以及实现的方法、调试过程,重点介绍了如何用台达V系列的变频器实现张...
屋面SBS改性沥青卷材防水施工工艺
技术交底记录表C2-1编工程名称北京丰台区黄土岗居住工程交底日2011年7月27日施工中铁建立集团第二十八工程经理部分项工程名称交底提要23#、...
林鸥化—监理细那么编:LOBZH—XZ—05〔卷材、涂料防水工程〕工程名称:分部工程:业主:总包:设计:监理:总监理工程师:重庆林鸥监理咨...
监理细那么〔编:J3〕地下卷材防水工程名称:编制人:审定人:成都***建设工程理有限公司第*监理部2010年1月30日监理细那么〔J3〕工程名称...
工程名称施工班组分部分项工程名称班组长签字交底时间主要成员签字交底人签字交底内容:沥青油毡卷材屋面防水层本技术交底适用于工业与民用...
地下沥青油毡卷材防水层施工本工艺适用于建筑工程地下沥青油毡卷材、沥青胶结材料铺贴防水层工程。2施工准备2.1材料及要求:卷材:石油沥青...
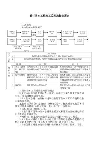
卷材防水工程施工监理施行细那么1.工艺流程1.1外防水外贴法施工1.2外防水内贴法施工2.卷材防水层工程质量检验评定保证工程工程及质量1卷材...
地下沥青油毡卷材防水层施工本工艺标准适用于建筑工程地下沥青油毡卷材、沥青胶结材料铺贴防水层工程。2施工准备2.1材料及要求:2.1.1卷材...
0403沥青油毡卷材屋面防水层监理施行细那么根据:?建筑工程施工质量验收统一?GB50300-2001?屋面工程施工质量验收?GB50207-20021、范围本工...
屋面防水高聚物改性沥青卷材防水层工程交底提要:屋面防水高聚物改性沥青卷材防水层的相关材料、机具准备、质量要求及施工工艺。一、准备施...

