电脑桌面
添加小米粒文库到电脑桌面
安装后可以在桌面快捷访问

卷材防水工程施工监理实施细则1VIP免费

卷材防水工程施工监理实施细则1_第1页
1/5
卷材防水工程施工监理实施细则1_第2页
2/5
卷材防水工程施工监理实施细则1_第3页
3/5
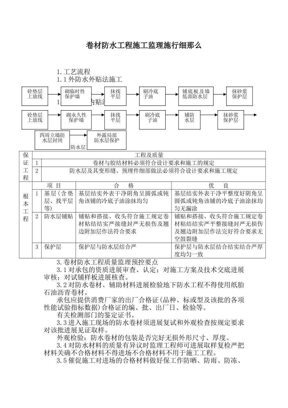
卷材防水工程施工监理施行细那么1.工艺流程1.1外防水外贴法施工1.2外防水内贴法施工2.卷材防水层工程质量检验评定保证工程工程及质量1卷材与胶结材料必须符合设计要求和施工的规定2防水层及其变形缝、预埋件细部做法必须符合设计要求和施工规定根本工程项目合格优良1基层(含垫层、找平层等)基层结实外表干净阴角呈圆弧或钝角该铺的冷底子油涂抹均匀基层结实外表干净平整度好阴角呈圆弧或钝角该铺的冷底子油涂抹均匀无漏涂2防水层铺贴铺贴和搭接、收头符合施工规定卷材粘结结实严接缝封严无损伤及翘边附加层作法符合要求铺贴和搭接、收头符合施工规定卷材粘结结实严平整接缝封严无损伤及翘边附加层作法完好符合要求无空鼓裂缝3保护层保护层与防水层结合严保护层与防水层结合结实结合严厚度均匀一致3.卷材防水工程质量监理预控要点3.1对承包的资质进展审查、认定;对施工方案及技术交底进展审核;对试铺样板进展核查。3.2对防水卷材、辅助材料进展检验地下防水工程不得使用纸胎石油沥青卷材。承包应提供消费厂家的出厂合格证(品种、标或型及该批的各项性能试验指标数据)合格证的编、批、出厂日、检验等。有关检测部门的鉴定证书。3.3进入施工现场的防水卷材须进展复试和外观检查按规定要求对该批进展见证取样。外观检验:防水卷材的包装是否完好无损外形尺寸、厚度。3.4对防水材料的质量有异议时监理工程师可进展取样复检严把材料关确不合格材料不得进场不合格材料不用于施工工程。3.5催促施工对进场的合格材料做好保工作防晒、防雨、防冻、砼垫层上放线砌临时性保护墙抹找平层刷冷底子油铺底板及墙低部防水层抹砂浆保护层砼垫层上放线砌永久性保护墙抹找平层刷冷底子油铺防水层抹砂浆保护层四周立墙防水层封闭外露局部防水层保护防止超高堆放和乱堆乱放对己损坏的材料不准使用。3.6核验地下水是否已降排到防水层底标高以下30cm做好基层验收。基层要枯燥、平整结实、阴角处抹成园弧形。穿过墙面地面的预埋件中埋件已作隐蔽验收。3.7检查操作人员技术素质消费指挥组织系统和质量控制体系的组成及落实。附:防水卷材必试工程及取样批次和数量材料名称必试工程验收批划分各取样数量1.石油、沥青、油毡拉力、耐热度不透水性柔度(1)同一消费厂、同一品种、同一标、同一等级每≤1500卷为一验收批。(2)每一验收批中抽取一卷作物理性试验。(3)切除距外导层卷头250mm后顺纵向载取1000mm全幅卷送试(或500mm2块)。2.建筑石油沥青针入度、软化点、延度(1)以同一消费厂、同一品种、同一标每≤20吨为一验收批取样一组(1kg)。(2)取样部位应均匀分布(少于五处)并不得含有粒土等杂物。3.弹性体沥青防水卷材再生胶、改性防水卷材)、塑性体沥青防水卷材等拉力、断裂伸长率、不透水性、柔度(-10℃-15℃)、耐热度(85℃90℃)(1)以同一消费厂、同一品种、同标的每≤1000卷为一验收批。。(2)每一验收批中抽取一卷做物理性能试验(3)切除距外层卷头2500mm后顺纵向截取长500mm全幅卷材试样2块。4.改性沥青聚乙烯胎防水卷材拉力、断裂伸长率、不透水性、柔度、耐热度(1)同一品种、同一规格、同一等级的≤1000卷为一验收批(2)将被检测一卷卷材在端部2000mm处顺纵向截取长1000mm全幅2块。5.三元乙丙防水卷材拉伸强度、扯断伸长率不透水性、低温弯折性、粘合性能(卷材间搭接)(1)以同一消费厂、同一品种、同一等级≤3000m为一验收批(2)以抽检外观长度、宽度、厚度等合格的三卷中任一卷为试样(3)在距端部300mm处纵向截取1800mm全幅材料送试。续表6.聚氯乙烯防水卷材、氯化聚氯乙烯防水卷材拉伸强度、断裂伸长率不透水性、低温弯折性、剪切状态下的粘合性(1)以同一消费厂、同一规格、同一类型的卷材不超过5000m2为一验收批(2)以抽检外观、平整度、厚度、尺寸合格的三卷中任一卷为试样(3)在距端部300mm处纵向截取300mm全幅材料送试7.氯化聚乙拉伸强度、断裂(1)以同类型、同规格的卷材≤250卷为一验收批烯一橡胶共混防水卷材伸长率、不透水性、低温弯折性、粘结剂剥离强度(2)每批任取三卷材作检验在规格尺寸、外观检查合格的卷材中任取一卷做物理力学性能试验从端部截取300mm顺纵向截取15000mm全幅两块8.防水卷材粘结材料...

1、当您付费下载文档后,您只拥有了使用权限,并不意味着购买了版权,文档只能用于自身使用,不得用于其他商业用途(如 [转卖]进行直接盈利或[编辑后售卖]进行间接盈利)。
2、本站所有内容均由合作方或网友上传,本站不对文档的完整性、权威性及其观点立场正确性做任何保证或承诺!文档内容仅供研究参考,付费前请自行鉴别。
3、如文档内容存在违规,或者侵犯商业秘密、侵犯著作权等,请点击“违规举报”。

碎片内容

卷材防水工程施工监理实施细则1

确认删除?
VIP
微信客服
  • 扫码咨询
会员Q群
  • 会员专属群点击这里加入QQ群
客服邮箱
回到顶部