CE 系列氧化锆氧分析仪 使用说明书 北京中电伊川测控技术有限公司 生产单位:北京中电伊川测控技术有限公司 地 址:北京市石景山区八...
CelercareM1全自动生化分析仪说明书2.0.2
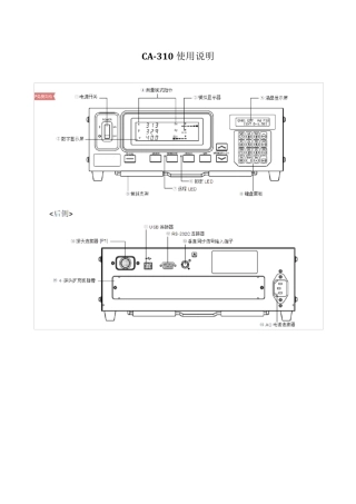
CA-310 使用说明
BSWA801型噪声振动分析仪(中文说明书)
SITE ANALYZER™ 无线系统的线缆和天线测试仪 操作指南 适用型号: SA-1700, SA-1700-P SA-2500A, SA-4000 一、安全预防措施 遵...
BIOSEBNCLine血糖乳酸分析仪操作手册
BER1560系列数据传输分析仪说明书V4.1
BD PHOENIX 100 型全自动微生物分析仪仪器标准操作规程 一、概况和工作原理 1、概况 是快速全自动细菌鉴定/药敏系统,能对于临床大多...
AU 系 列 生 化 仪 的 部 分 参 数 界 面 及 名 词 解 释 AU 系 列 生 化 仪 的 部 分 参 数 界 面 及 名...
1 /3 4 A U 2700/5420 全自动生化分析仪 标准化操作手册 版本 1.02 /3 4 A U 2700/5420 全自动生化分析仪 标准化操作手册...
ANKOM2000i全自动纤维分析仪
AmtaxCompact氨氮分析仪中文使用说明书
AMTAXCOMPACT氨氮分析仪
Ailgent2100生物分析仪的应用
Agilent网络分析仪选购指南
AgilentPNA微波网络分析仪CHCN
前面板:部件的名称和功能 按键 工作通道/迹线区 用于选择工作通道和迹线的一组按键。 按键名称 说明 Channel Next 选择下一个通道...
Agilent E5061A 射频网络分析仪使用细则 仪器仪表的技术性能及指标 假设带宽为10Hz,用85032F 校准箱校准,运行环境温度为23℃±5℃,...
Agilent16800系列便携式逻辑分析仪技术资料
1 气 体 分 析 仪 技 术 协 议 业主:代表: 时间: 卖方: 代表: 时间: 制造厂:ABB(中国)有限公司 代表: 时间: 编...

