仅供参考 [整理 ] 第 1 页 共 3 页安全管理文书空压机岗位安全操作规程日期: __________________单位: __________________仅供...
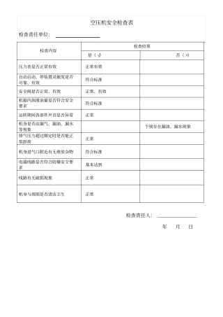
空压机安全检查表检查责任单位:检查内容检查结果是( √)否(×)压力表是否正常有效正常有效自动启动、停装置灵敏度是否可靠、有效符合...
仅供参考 [整理 ] 第 1 页 共 4 页安全管理文书空压机安全操作手册日期: __________________单位: __________________仅供参考...
仅供参考 [整理 ] 第 1 页 共 4 页安全管理文书空压机安全操作规程与保养日期: __________________单位: __________________仅...
仅供参考 [整理 ] 第 1 页 共 6 页安全管理文书空压机安全技术措施日期: __________________单位: __________________仅供参考...
学习好资料欢迎下载一、空压机名词术语螺杆式空气压缩机空压机的全称是空气压缩机;一台根据双螺杆(也称阴阳转子)转动使气体产生容积变化...
空气压缩机 变频节能改造一、空压机概况空压机,全名为空气压缩机, 是一种工矿企业中最常用的空气动力提供设备。通常,空压机分为螺杆式...
WORD 格式可编辑专业知识整理分享目录第一部分变频节能改造背景一、基本情况二、变频调速技术第二部分空压机的改造缘由一、空压机介绍二、...
个人资料整理仅限学习使用空压机变频恒压供气控制系统的设计1 引言 空压机在工业生产中有着广泛地应用。在供水行业中,它担负着为水厂所...
目录一、工程概况⋯⋯⋯⋯⋯⋯⋯⋯⋯⋯⋯⋯⋯⋯⋯⋯⋯⋯⋯⋯2 二、编制依据⋯⋯⋯⋯⋯⋯⋯⋯⋯⋯⋯⋯⋯⋯⋯⋯⋯⋯⋯⋯5 三、施工工艺程序...
空压机值班工职务说明书基本情况职位名称空压机值班工职位编制及现有人数8 人所属部门动力分厂直接上级动力分厂厂长直接下属职责1.负责空...
空压机储气罐安装施工方案空压机、储气罐干雾项目安装方案编制:审核:审批:目录1、编制依据2、工程概况3、主要工程量4、组织结构、施工部...
仅供参考 [整理 ] 第 1 页 共 4 页安全管理文书空压机及气罐事故应急预案日期: __________________单位: __________________仅...
下载可编辑.专业 .整理 . 空压机使用说明书目录1.概述 ·· · · · · · · · · · · · · · · · · · ...
仅供参考 [整理 ] 第 1 页 共 5 页安全管理文书空压机余热利用技术要求日期: __________________单位: __________________仅供...
For personal use only in study and research; not for commercial use 空压机专用控制器在变频螺杆空压机上的应用一、空压机...
下载后可任意编辑 5 立方无油螺杆变频空压机技术协议 甲方:青岛华仁医药包装材料科技有限公司 乙方: 2024 年 07 月1 总则1.1 ...
下载后可任意编辑设备维护保养合同合同编号:WT- FW -2024- 0505 合同名称:螺杆空压机维修保养(浙江开山生产)甲方:蓬莱市万泰矿业...
下载后可任意编辑白象山坑口空压机站施工方案1下载后可任意编辑 白象山铁矿坑口空压机站工程施工组织设计马钢集团建设责任有限公司 4 月...
使用开山螺杆空压机注意事项1、新机调试必须由我公司指定或认可的调试人员进行。2、第一次开机或电源线有变动时必须注意电机旋转方向是否正...

