1.关于道德规范的说法中,正确的是()。A、道德规范是没有共同标准的行为规范B、道德规范只是一种理想规范C、道德规范是做人的准则D、道德...
1数控铣工高级理论知识试卷-样题1一、单项选择题(第1题~第120题。选择一个正确的答案,将相应的字母填入题内的括号中。每题0.5分,满分60...
2.基本要求2.1职业道德2.1.1职业道德基本知识2.1.2职业守则(1)遵守法律、法规和有关规定。(2)爱岗敬业,具有高度的责任心。(3)严格执行工作...
1/51全国数控工艺员第七次考试(数控铣工)1、调质处理是(_B_)。A.钢件经淬火后再进行退火处理B.钢件经淬火后再进行高温回火处理C.钢件经淬...
铣工复习题四----铣台阶、直槽姓名:一、判断题(对画√,错画×)1.高精度的齿轮通常在铣床上铣削加工。()2.铣床无法加工螺旋槽工件。()3...
数控铣工中级理论知识试卷-样题2一、单选题(第1题~第160题。选择一个正确的答案,将相应的字母填入题内的括号中。每题0.5分,满分80分。)1...
数控铣工高级理论知识试卷-样题2一、单选题(第1题~第120题。选择一个正确的答案,将相应的字母填入题内的括号中。每题0.5分,满分60分。)1...
数控铣工高级理论知识复习资料一、单项选择题1)程序段"N30IF[#1GT10];…N80ENDIF;N90…;"表示()(华中系统)。A、如果变量#1的值大于10,...
下载后可任意编辑铣工实习工作总结范文一、铣工的实习目的:1、了解铣削加工的工艺特点及加工范围。2、了解常用铣床的组成、运动和用途,了...
A.单一中径误差B.单一中径和螺距累积误4.5.6.A.肖氏体或卡氏体B.索氏体和洛氏体C.马氏体机床通电后应首先检查(B)是否正常。A.加工路线B....
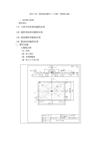
项目十四:数控铣床操作工(中级)考核练习题二一、知识能力准备:理论知识:(1)刀具半径补偿功能的应用(2)旋转坐标系功能的应用(3)...
金工实习铣工心得体会大学我们在学校校工厂进行了为期9天的金工。期间,我们接触了车、钳、铣、三个工种。每一天,大家都要学习一项新的技...
金工实习铣工心得5篇金工实习铣工心得1通过在铸造训练部的实习,作为一名大学生,第一次接触到砂型、型芯之类的新东西,第一感觉就是非常好...
金工实习铣工实训心得体会5篇金工实习铣工实训心得体会1两个星期的金工实习,对我而言,是一段用汗水浇灌的奇妙旅程。刚开始金工实习不久时...
金工实习报告铣工总结金工实习报告铣工总结范文一一、实习时间:20_年_月2日至_月6日实习地点:邵阳学院机械实习工厂实习单位:电气工程系1...
金工实习报告铣工心得总结金工实习是一门非常注重实践的技术性实习,这样的实习对巩固学校所学知识是非常有好处的。这两周里学习到的工种包...
金工实习铣工总结5篇金工实习铣工总结篇一老师给我们详细介绍了铣工的相关知识以及铣床的种类,原理和使用方法。铣床分为立式和卧式两种,...
金工实习心得体会铣工5篇金工实习心得体会铣工1两个星期的金工实习,对我而言,是一段用汗水浇灌的奇妙旅程。刚开始金工实习不久时,我曾和...
下载后可任意编辑2024铣工实训报告精选5篇2024铣工实训报告精选篇一铣工,作为我的大学阶段的最后一个金工实习工种,自己有种莫名的感觉,...
第1页共8页编号:时间:2021年x月x日书山有路勤为径,学海无涯苦作舟页码:第1页共8页得分评分人一、单项选择题(请将正确答案的字母代号填...

