目录第一章 工程概况 ...............................................................................................................
在水东方 8#楼工程主体结构实体检测方案目录一、编制依据 .................................................... 1二、工程概况 .......
混凝土工程实体检测方案1.编制依据1.1 设计文件:包括工程设计图纸、工程洽商、设计交底、设计变更。1.2 标准文件:《混凝土结构工程施工...
浙江杭州湾建筑集团有限公司砼实体检测专项方案目录一、工程概况二、实体检测内容和要求三、同条件养护试件的留置及强度检验四、钢筋保护层...
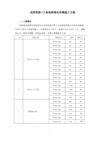
成贵铁路-13 标段桥梁实体墩施工方案一、工程概况适用新建成都至贵阳线乐山至贵阳段中铁十五局集团有限公司项目部桥梁分部 25 米以下的...
武汉万科花山紫悦湾一期工程编制人:审核人:审批人:实体样板策划方案湖北中地鼎天建筑工程有限公司2014 年 11 月 18 日实体样板方案...
合同段号:(施工)ZL4编号:工程名称交底项目交底内容:一、编制依据依据护面墙设计图纸、《公路路基施工技术规范》、《公路桥涵施工技术规...
1 云 南 省 工 程 建 设 地 方 标 准 DBJ53/T-50-2013 云南省建筑工程结构实体检测技术规程 Technical specification for...
1 第D 章 C A X A 实体设计快速入门 本章直观而循序渐进地介绍了 CAXA实体设计 的一些主要功能。详细信息请参考本手册后面章节的...
目 录 应用实例集...................................................................................................................
CAXA 实体造型练习一 实体1 -1 。。1 实体1-2 实体1-3 实体1-4 实体1-5 实体1-6 实体1-7 实体1-8 实体1-9 实体1-10 实体1 -...
CAXA实体设计快速入门
1 第9 章 钣金件设计 CAXA 实体设计具有生成标准和自定义钣金件的功能。其过程始于“板金属”设计元素目录中的智能几何元素(后文中简...
目 录 1. 实体设计界面问题,出现工具条混乱 ......................................................................................
CAXA 实 体 设 计 应 用 常 见 的 问 题 以 及 解 决 方 法 目 录 1. 实 体 设 计 界 面 问 题 , 出 现 ...
CAXA实体设计教程 1 第1章 CAXA实体 设 计 概 述 设计界面 CAXA 实体设计提供了全Windows®的设计风格,可以通过创建新的设计环...
CAXA 实体设计安装及破解方法 1.CAXA 实体设计只能在xp 系统下安装使用,不能在win7 下安装。 2.安装文件与破解文件 3.运行\CAXA ...
章节: 第一章 CAXA3D 实体设计2018 入门基础概述 (150 分钟) 第二章 CAXA3D 实体设计2018 二维草图 (230 分钟) 第三章 ...
CAXA 3D 实体设计2015 新增功能 PMI PMI(Produ ct and Manu factu ring Information)是产品和制造信息的简称。PMI 在实体设...
第8章 滚 轮 装 配 本章的重点内容: 如何运用约束装配进行零件定位。 如何运用镜像功能生成完整的二维截面。 二维轮廓的...

