基于 MAS 的智能建筑集成管理探究基于 MAS 的智能建筑集成管理探究 【摘要】介绍了 Agent 技术的相关讨论成果,指出其在智能建筑系...
浪潮 MAS 服务器 SI 认证试题题目一:MAS 服务器短信参数配置 考察目的:考察企业用户申请短信服务批准后,SI 如何配置 MAS 短信...
精品文档---下载后可任意编辑一种 MAS 系微晶玻璃高温合金涂层的讨论的开题报告题目:一种 MAS 系微晶玻璃高温合金涂层的讨论背景:高...
精品文档---下载后可任意编辑Web Service 与 MAS 的集成及通信会话机制讨论的开题报告一、选题背景和意义Web Service 和 MAS 都是...
精品文档---下载后可任意编辑MAS 中基于本体的 Agent 学习进化机制讨论的开题报告1. 讨论背景和意义智能 Agent 是指能够自主决策和行...
精品文档---下载后可任意编辑稀土/ALN/MAS 微晶玻璃复合材料结构与性能的讨论的开题报告1. 讨论背景及意义稀土/ALN/MAS 微晶玻璃复合材...
精品文档---下载后可任意编辑MAS 与 Web Service 集成模型的讨论与设计的开题报告题目:MAS 与 Web Service 集成模型的讨论与设计...
下载后可任意编辑基于 MAS 的零售百货行业解决方案2024-06-20 百货服务短信系统方案 一、市场需求 随着信息社会的到来,消费者获得商...
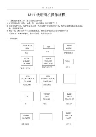
第 1 页 共 6 页M11 线珩磨机操作规程一、开机前的准备工作(十五分钟运动内容)1 检查珩磨油箱、油位、油质,加2C-36RB,换液周期...
下载后可任意编辑进口 MAS 珩磨机操作规程12024 年 5 月 29 日下载后可任意编辑M11 线珩磨机操作规程一、开机前的准备工作(十五分...
下载后可任意编辑移动代理服务器MAS 应用方案初次访问12024 年 5 月 29 日下载后可任意编辑22024 年 5 月 29 日下载后可任意编...
短信解决方案 基于MAS的短信解决方案提供了基于Web的操作方式,简单友好、维护方便;移动 MAS通过提供通用的业务配置平台、API等多种接口...
MAS 信息机项目精品案例 ——医疗咨询客户 目录1项目背景.............................................................................
页眉内容1页脚内容中国移动通信集团河南有限公司MAS设备维护服务技术规范中国移动通信集团河南有限公司二〇一一年三月页眉内容页脚内容一、...
第1页共7页编号:时间:2021年x月x日书山有路勤为径,学海无涯苦作舟页码:第1页共7页M11线珩磨机操作规程一、开机前的准备工作(十五分钟...
基于MAS问题编码的化学知识多重表征研究张怡纳王祖浩华东师范大学化学系,上海200062摘要:本研究主要借鉴MAS问题编码的方法,对化学中宏观...
巨噬细胞活化综合征MacrophageActivationSyndrome(MAS)病例男性,18岁,因“反复皮下结节2年余,加重1年伴发热1月”入院。持续高热;RB...
第1页共14页编号:时间:2021年x月x日书山有路勤为径,学海无涯苦作舟页码:第1页共14页新会中集集装箱有限公司XINHUICIMCCONTAINERCO。,L...
更多资料请访问.(.....)更多企业学院:...../Shop/《中小企业管理全能版》183套讲座+89700份资料...../Shop/40.shtml《总经理、高层管理...
中国移动通信集团河南有限公司安阳分公司奥玛MAS综合移动信息化项目书中国移动通信集团河南有限公司安阳分公司2007.08-1-目录第一章信息需...

