第1页共210页编号:时间:2021年x月x日书山有路勤为径,学海无涯苦作舟页码:第1页共210页《COSO—内部控制框架》目录管理层概述1总体构架1...
治理出生性别比失调的分析框架和方法[1]引言:中国出生性别的严重失衡,是性别歧视、两性关系不平等的表现,已成为中国社会可持续发展的...
第1页共34页编号:时间:2021年x月x日书山有路勤为径,学海无涯苦作舟页码:第1页共34页中国独立货币政策的框架摘要:随着中国经济越来越市...
【】战略合作框架协议【】【】合同编号:【】(商家进驻)甲方:乙方:【】战略合作框架协议(商家进驻)甲方:【】法定代表人:【】联系地...
战略采购合作框架协议(2022年标准合同模板)甲方:(XXX公司或XXX个人)乙方:(XXX公司或XXX个人)签订日期:20**年**月**日签订地点:第...
主题:苹果和橘子(小班)一、主题的核心经验二、个别化学习内容的整体结构三、主题下每个个别化学习内容点的思考一、主题的核心经验教材:...
2021-工程设计合作框架协议范本〖2022标准版合同〗甲方:〔XX单位或XX个人〕乙方:〔XX单位或XX个人〕签订日期:年月日签订地点:第1页,共...
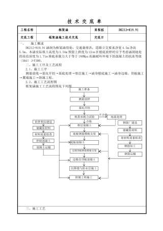
第1页共135页编号:时间:2021年x月x日书山有路勤为径,学海无涯苦作舟页码:第1页共135页一、目录一、目录1二、编制依据2三、工程概况4四...
风险管理框架课件01风险管理概述风险的定义与特性风险的定义风险是指在某一特定环境下,在某一特定时间段内,某种损失发生的可能性。风险的...
股权投资框架协议股权投资框架协议3篇股权投资框架协议1甲方:___________________________法定代表人:__________住所:__________乙方:_...
第1页共14页编号:时间:2021年x月x日书山有路勤为径,学海无涯苦作舟页码:第1页共14页财务分析逻辑框架面对浩如烟海、复杂的信息披露,投...
COSO内部控制框架培训资料内容提要:一、背景介绍(一)COSO内部控制框架的产生及发展过程(二)中石油目前的内部控制体系与COSO内部控制框...
战略采购合作框架协议〔通用合同范本〕甲方:〔***单位或个人〕乙方:〔***单位或个人〕签订日期:20**年**月**日签订地点:第1页,共18页...
数字像理数字像程架接口展件•数字图像处理基础•数字图像编程框架•数字图像编程接口扩展•数字图像编程实践•总结与展望01数字图像处理基...
网络框架教程课件•网络框架概述contents•网络框架基础知识•网络框架进阶知识•网络框架实战案例•网络框架常见问题与解决方案目录CATALO...
第1页共7页编号:时间:2021年x月x日书山有路勤为径,学海无涯苦作舟页码:第1页共7页选修二第四单元测试题一:选择题1、对宪章派的名字表...
预应力锚索框架梁在高边坡中的施工控制作者:帅政斌(15213171617)【摘要】以预应力锚索框架梁防护用于高边坡防护工程是目前较为普遍使用...
第1页共11页编号:时间:2021年x月x日书山有路勤为径,学海无涯苦作舟页码:第1页共11页(发展经济学)环境保护与城市失业:H-T框架下环境...
第1页共14页编号:时间:2021年x月x日书山有路勤为径,学海无涯苦作舟页码:第1页共14页财务分析逻辑框架面对浩如烟海、复杂的信息披露,...
第1页共12页编号:时间:2021年x月x日书山有路勤为径,学海无涯苦作舟页码:第1页共12页预算管理的基本思想、框架与实施条件□陈胜华一.预...

