下载后可任意编辑保证安全生产投入管理办法 一、对平安生产投入的基本要求 生产经营单位必需布置适当的资金,用于改善平安设施,更新平安技...
下载后可任意编辑保证安全生产投入的管理制度一.总则 为提高公司施工安全生产管理水平,维护人身和财产安全,为公司的安全生产文明施工提供...
下载后可任意编辑企业安全生产投入管理办法 一.为提高公司施工平安生产管理水平,维护人身和财产平安,为公司的平安生产文明施工提供资金保...
下载后可任意编辑企业安全生产投入保障制度 1、目的 平安生产投入,是保障企业平安生产须要的物质基础,平安生产资金保障管理是企业管理的...
下载后可任意编辑企业保证安全生产投入的管理办法一.为提高公司施工安全生产管理水平,维护人身和财产安全,为公司的安全生产文明施工提供资...
下载后可任意编辑企业保证安全生产投入的管理办法或规章制度第一条 总则为建立本公司及所属各项目部安全生产投入的长效机制,保证公司及下...
1.1 附件1:ace与GBT19011-2008标准主要差异性分析 1d 拟投入的主要施工机械设备表 序号 机械或 设备名称 型号 规格 数量 国别 ...
劳动力机械设备和材料投入计划文件管理序列号:[K8UY-K9IO69-O6M243-OL889-F88688]1第一节劳动力投入计划一、劳动力素质要求及组织施工劳务...
1.3.1、物资准备 1、物资准备工作内容 根据施工进度计划要求和施工图预算的材料分析编制工程材料需用量计划,为施工备料、确定仓库和材料...
1 、 开店条件 以广东省为例,申请体彩投注站具体条件如下: ①网点必须设置坚固、并有安全保障的室内,面临大马路或人流量大的商业区...
企业安全生产费用投入台账(模板)提取时间提取标准提取金额(万元)余额(万元)2019 年 1 月 1 日1.5%、安全生产培训费用时间用途名...
拟投入的主要施工机械设备表工程名称:甘州区抗天牛林木良种繁育基地温室工程序号设称囲名机备格规号型数量国别产地定率W)额功(K生产能力进...
下载后可任意编辑 为达到所规定的安全生产条件,实现安全生产,必须不断投入资金,切实保证本单位的安全生产投入的有效实施,特制订本制度...
下载后可任意编辑 1 目的 为了安全生产,减少事故的发生,保障公司的合法利益和工人的生命财产安全,根据有关法律法规规定,结合我公司...
下载后可任意编辑 为依法确保安全费用的提取、使用、管理和监督,按程序保质量完成安措工程,提高矿井安全技术装备水平,增强综合抗 灾能...
安全生产投入保障制度批准:审核:修订:编号:受控状态:实施时间:2017 年 03 月 02 日发布单位:第一章总则第一条为加强安全生产管...
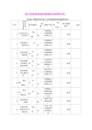
投入的检测设备仪器情况及使用计划。XXX 路二期建设项目第三方质量检测及监测招标项目 序号设备或仪器名称型号规格数量国别产地制造年份...
1 青海能源鱼卡有限责任公司 应急预案 应急投入 应急准备 应急处置与救援 评估报告 第一章 总则 第 一节 编制目的 为全面贯彻...
(1)拟投入的主要施工机械设备表表 7— 1 序号机 械 或设备名称型号规格数量国别产地制造年份额定功率(KW)生产能力用于施工部位备...
(1)拟投入的主要施工机械设备表表 7— 1 序号机 械 或设备名称型号规格数量国别产地制造年份额定功率(KW)生产能力用于施工部位备...

