电脑桌面
添加小米粒文库到电脑桌面
安装后可以在桌面快捷访问

老旧小区改造拟投入的主要施工机械设备表

老旧小区改造拟投入的主要施工机械设备表_第1页
1/3
老旧小区改造拟投入的主要施工机械设备表_第2页
2/3
老旧小区改造拟投入的主要施工机械设备表_第3页
3/3
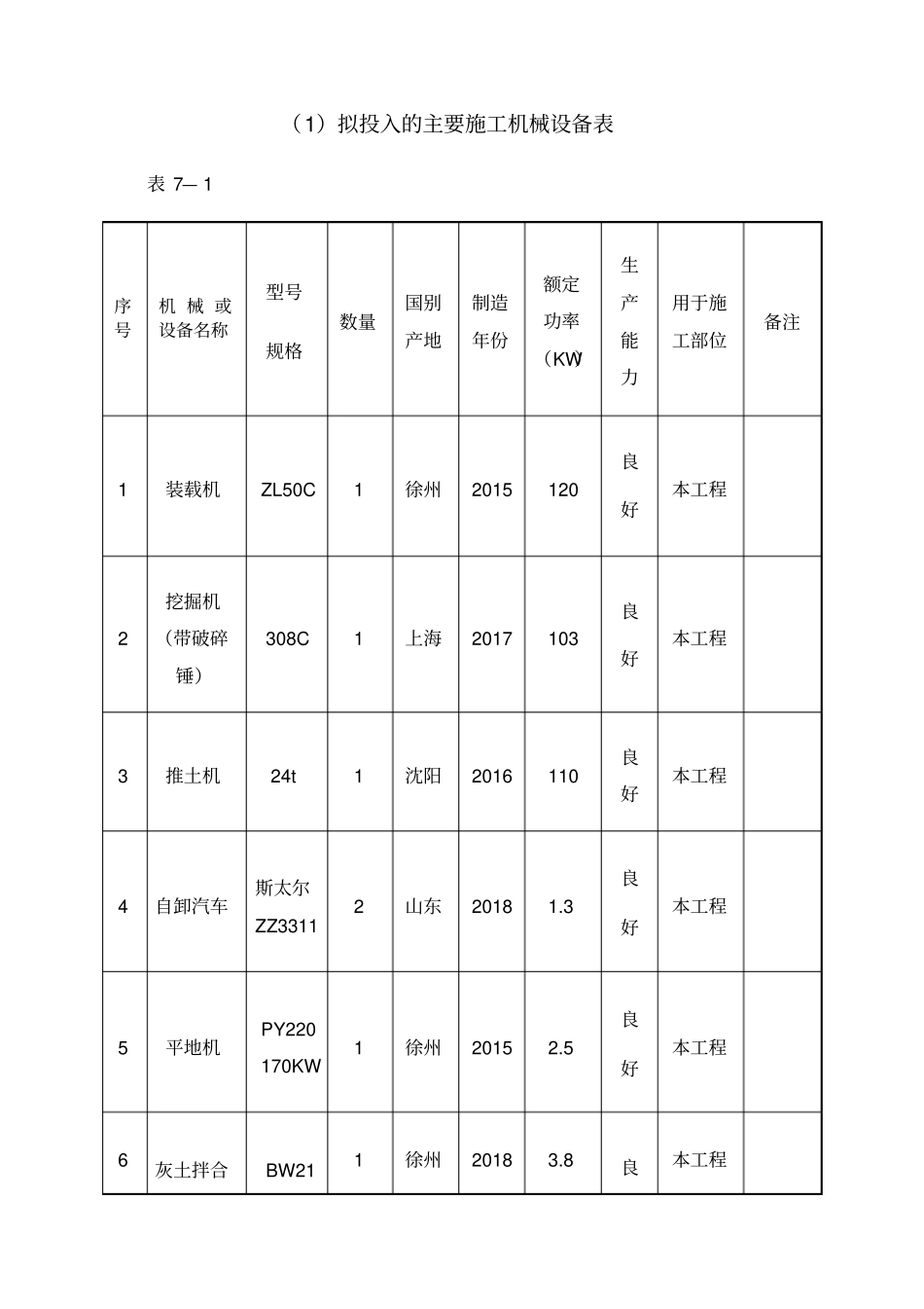
(1)拟投入的主要施工机械设备表表 7— 1 序号机 械 或设备名称型号规格数量国别产地制造年份额定功率(KW)生产能力用于施工部位备注1装载机ZL50C1徐州2015120良好本工程2挖掘机(带破碎锤)308C1上海2017103良好本工程3推土机24t1沈阳2016110良好本工程4自卸汽车斯太尔ZZ33112山东20181.3良好本工程5平地机PY220 170KW1徐州20152.5良好本工程6灰土拌合BW21 1徐州20183.8良本工程机162KW好7振捣棒50 型3KW2郑州2017/良好本工程8发电机20W1濮阳2017/良好本工程9水准仪DS32天津2016/良好本工程10钢卷尺50m6石家庄2017/良好本工程11交流电焊机BX6-40022017200725kva良好本工程12打夯机HW-2015新乡20160.13良好本工程13砼切缝机SE2001德国2016123良好本工程14振动压路/1洛阳2017/良本工程机好

1、当您付费下载文档后,您只拥有了使用权限,并不意味着购买了版权,文档只能用于自身使用,不得用于其他商业用途(如 [转卖]进行直接盈利或[编辑后售卖]进行间接盈利)。
2、本站所有内容均由合作方或网友上传,本站不对文档的完整性、权威性及其观点立场正确性做任何保证或承诺!文档内容仅供研究参考,付费前请自行鉴别。
3、如文档内容存在违规,或者侵犯商业秘密、侵犯著作权等,请点击“违规举报”。

碎片内容

老旧小区改造拟投入的主要施工机械设备表

确认删除?
VIP
微信客服
  • 扫码咨询
会员Q群
  • 会员专属群点击这里加入QQ群
客服邮箱
回到顶部