历 届 武 汉 国 际 中小 学 生 楚 才 作 文 竞 赛 试 题 ( 2000——2010)(三年级) 第26 届武汉国际中小学生楚才作...
历届柏林电影节获奖影片 (1 9 5 1 —2011 ) 第六十一届柏林国际电影节获奖名单(2 0 1 1 ) 最佳影片金熊奖:《内达与西敏:一...
历年获奖歌曲(歌曲—歌手) 第一届(1959) 最佳爵士乐团: Count Basie 《Basie》 最佳舞蹈组合: Count Basie《Basie》 最佳R&B...
序号 姓名 性别 学位专业技术职务 专业 单位1方 忠 男博士研究员凝聚态物性Ⅱ:电子结构、电学、磁学和光学性质中国科学院物理研究所...
2 0 1 0 年全国“春蕾杯”小学生思维邀请赛(初赛) 1、已知: △+△+○+○=40 ○=△+△+△+△ 求△=( ),○=( ) 2、已知□...
2 0 1 2 年春节联欢晚会 迅雷下载 2012年01月27日 星期五 9:43 1.开场童谣(表演者:邓鸣贺) 2.《东西南北大拜年》 (1)《欢乐中...
历届春晚经典歌曲歌词大征集(8 3 -- 221.7.75.* 1 楼 举办了二十多届的春晚推出了一大批经典歌曲,词曲精雕细琢,年年传唱,堪称精...
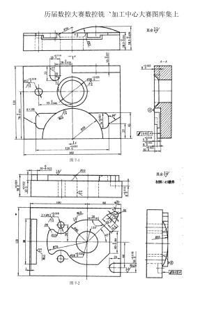
历届数控大赛数控铣、加工中心大赛图库集上图 7 -1图 7 -2 a) 件 1b) 件 2图 7-3a) 件 1b) 件 2图 7-4图 7 -5图 7 -6图...
历届希望杯全国中学生数学竞赛试题
历届戛纳电影节“金棕榈奖”获奖名单 (戛纳国际电影节创建于1939年夏天。由于二战爆发,直到1946年第一届电影节才得以举行。此后...
1 一、夏季奥运会 1896年希腊雅典第一届奥运会会徽 希腊雅典选择用象征和平与友谊的橄榄枝来表达他们对奥林匹克运动至高无上的理解和尊...
女子数学奥林匹克 1 目录 2002 年女子数学奥林匹克 ................................................................................
历届奥运会主场馆 第一届奥运会主场馆:雅典大理石体育场 1896年 4月 6日下午 3点,希腊国王乔治一世庄严宣布:第一届现代奥林匹克运...
历届夏季奥运会举办地点、时间 第三十届奥运会 英国伦敦 第二十九届奥运会 中国北京 第二十八届奥运会 2004年8月13日--8月29日 举办...
1 BEIJING 2008 The project of the Beijing 2008 Olympic Games Image and Look aims at creating unique, complete a...
国家或地区金牌银牌铜牌总计美国117119希腊10191746德国75214法国54211英国3337匈牙利2125奥地利2035澳大利亚2002丹麦1247瑞士1203总计4443...
第23届奥林匹克运动会 举办城市:美国洛杉矶 中国获金牌:15枚 许海峰 射 击 男子自选手枪慢射个人566环 周继红 跳 水 女子10米...
第1页/共28页 第1届 (1967 年于波兰的华沙) 【题1】质量M=0.2kg 的小球静置于垂直柱上,柱高h=5m。一粒质量m=0.01kg、以速...
历届国家领导人集体合影(值得收藏)
历届受诺贝尔文学奖提名的中国作家 ——在莫言之前,他们都与该奖项擦肩而过 莫言 1955 年 2 月 17 日出生,原名管谟业,生于山东...

