两张 A4 打印在一张 A3 纸上 对打印机了解的还很少啊,可以说基本不会用。今日碰到一个需要这样打印的,原版是 A4 的,第一页是封面...
横版 1 寸照片教程:第一步:在页面布局中设置纸张页面为 A6 大小 105mmX148mm:现在页面如图中所示(横版 A6):第二步:设置页边距:具体尺...
如何在已购买的奖状纸上打印需要的内容(7 页)Good is good, but better carries it.精益求精,善益求善。2.如何在已购买的奖状纸上...
图纸上的技术要求汇总(14页)Good is good, but better carries it.精益求精,善益求善。图纸技术要求一、一般技术要求制件去除表面氧...
四年级语文下册鱼游到了纸上教案范文 教学目标 1.理解课文内容,学习课文中的聋哑青年做事勤奋、专注的优秀的品质。 2.学习作者留心周...
复面纸上胶安全操作规程 1、上岗时戴好防护口罩、手套。2、检查设备,装好纸筒,加入检验合格的上纸专用胶。3、开蒸汽阀,加热烘箱,严格...
纸上传情:历史上的十大著名情书Henry VIII to Anne Boleyn 亨利八世写给安妮·博林 King Henry VIII originally courted Anne...
小班综合《报纸上旳洞》活动目旳:1.初步理解故事,尝试观测画面,乐意体现。2.乐意参加活动,体验活动旳乐趣。活动准备:课件《报纸上旳洞》...
宿州市埇桥区中小学老师公开课专用纸 乡镇:三八办事处 学校:董园小学 四年级 学科:语文 课 题鱼游到了纸上主备人张道春第 2 课...
汽车在报纸上的经典广告词 1. ―――现代汽车广告语驾驭现代成就未来 2. 斯柯达汽车广告语简单聪慧 3. 雪铁龙汽车广告语想在你之前 ...
指南针的坚定不移的纸上前方作文 600爸爸给我买了一个指南针,它黑黑的,圆圆的,拎起来时它就滴溜溜地转,可爱极了。无论我站在哪里,红...
宿州市埇桥区中小学老师公开课专用纸 乡镇:三八办事处 学校:董园小学 四年级 学科:语文 课 题鱼游到了纸上主备人张道春第 2 课...
DN15 管径15mm D 外径×δ壁厚 D108×4 d 内径 d230 裸导线 线芯材料 特 性 派生 形 状 加 工 软、硬 轻、加强 符号 ...
1 横 版 1 寸 照 片 教 程 : 第一步:在页面布局中设置纸张页面为 A6 大小 105m m X148m m : 现在页面如图中所示(横...
第 1 页 共 4 页精品文档---下载后可任意编辑猜成语:纸上写了一个字的答案 猜〔成语〕题目是:纸上写了一个字的答案,这关中给出的...
精品文档---下载后可任意编辑“经营”之义初探——纸上园林《拙政园图》摹写的开题报告摘要:本文以纸上园林《拙政园图》为讨论对象,探讨...
精品文档---下载后可任意编辑ZnO 在碳纳米纤维纸上的电化学沉积的开题报告一、讨论背景随着纳米技术的进展,ZnO 已经成为了新型的光电材...
报纸上的洞(小班语言教案)幼儿园小班语言教案:报纸上的洞(一)内容简介丑小兔喜欢趴在窗口看风景,但又很害羞,遇上过路的人就会躲起来。...
小班语言《报纸上的洞》活动目标:1.初步理解故事,尝试观察画面,愿意表达。2.乐意参与活动,体验活动的乐趣。活动准备:课件《报纸上的洞...
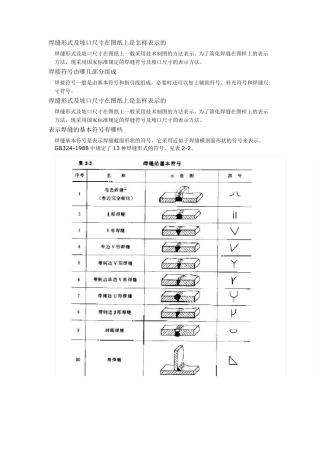
焊缝形式及坡口尺寸在图纸上是怎样表示的 焊缝形式及坡口尺寸在图纸上一般采用技术制图的方法表示。为了简化焊缝在图样上的表示方法,现采...

