溆浦县教育局安全办消防知识资料中学生自护自救与逃生常识1.楼房火场逃生常识(1)要镇静分析,不要盲目行动。要明确自己所在的楼层,要回...
火灾逃生自救方法一、校园内发生火灾的具体原因主要有以下这些:1.在宿舍内乱接乱拉电线,造成电线短路或因接头接触不良发热引起火灾。2.不...
下载后可任意编辑暴雨自救演讲稿【五篇】【篇一】暴雨自救演讲稿大家好!7月17日以来,河南省遭遇极端强降雨。20日8时至17时,部分地区强降...
中小学生自护自救安全常识问答如何防止烫伤?1、从炉火上移动开水壶、热油锅时,应该戴上手套用布衬垫,防止直接烫伤;端下的开水壶、热油...
六大疼痛应急自救点穴摘自中国中医药出版社林超岱所著《大道至简——有尊严地活过一百岁》1.头痛(偏头痛)处方及操作:中脘(深点)、关元(深...
第1页共21页编号:时间:2021年x月x日书山有路勤为径,学海无涯苦作舟页码:第1页共21页自救——用药常识药物是用于人体以治疗、预防或诊断...
地震避险及自救常识课件目录•地震基本知识•地震避险常识•地震自救常识•地震应对措施•地震典型案例分析•总结与展望01地震基本知识地震...
火灾逃生与自救文山实验小学晏淑敏火灾事故案例遇到火灾时我们应该如何正确的处理?调查交流(一)(一)火灾中的报警(一)(一)这样报警...
学生安全教育资料兰州五十一中政教处2013年3月兰州五十一中学生安全自救知识110问1.如何抵御高温天气?(1)饮食宜清淡,多喝凉白开水、淡冷...
国旗下的讲话:学会在火灾中逃生自救参考讲话同学们,明天的11月9日是消防宣传日。提到消防,同学们自然会想到令人毛骨悚然的“火灾”二字...
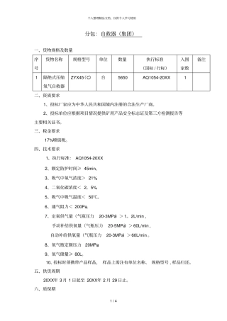
个人整理精品文档,仅供个人学习使用1/4分包:自救器(集团)一、货物规格及数量序号货物名称规格型号单位数量执行标准(国标/行标)入围家...
教学设计“公共交通遇险自救”教材类型标准教材课程名称公共交通遇险自救课时1课程类型意外伤害授课教师授课时间授课对象高二年级学生教具...
遭受挫折后的心理自救调节挫折情绪的心理学方法有:一、心理宣泄法。人在受挫时,会产生很多负性情绪,这种情绪靠堵是堵不住的,比较好的方...
中小学生自护自救技能培养的研究济渎路学校王委据了解,我国每年大约有1.6万名中小学生非正常死亡,中小学生因安全事故、食物中毒、溺水、...
小学生防火自救安全教育课教案第二课时一、教学目标通过本节课的学习让学生充分了解火灾中各种逃生自救的办法提高学生的自救意识。二、教学...
开学第一课:自护、自救安全教育教学内容:学习一些家居安全、交通安全、消防安全等知识。教学目标:通过学习有关安全知识,使学生树立自护...
自然灾害中的自救与互救一、地震中的自救与互救(一)震前——防震准备(二)震中——避震(三)震后——自救与互救1、认识地震前兆地下水...
小学生自救自护常识——张方方同学们:(一)遇到坏人跟踪怎么办?1、及时报警。2、不要走小路或较偏僻的路段,要往人多的地方走。遇到歹徒...
幼儿中班安全教案:火灾安全自救教学目的:1、了解简单的防火知识,增强自我保护意识,学习火灾自救的方法。2、锻炼幼儿遇事不慌、不怕危险...
返回返回了解如何做好防震和防洪的准备理解自然灾害中的自救与互救的方法能够根据具体自然灾害种类采取正确的自救与互救措施返回1.防震准...

