下载后可任意编辑酒店固定家具安装施工组织方案施工组织及技术法律规范/施工范围/配合事项 下载后可任意编辑目 录第一部分 总说明第二部...
下载后可任意编辑河北蓝鸟家具有限公司产业升级改造项目厂区内道路施工方案一、路面设计要求:1)240mm、200mm 厚 C30 砼面层;2)25mm...
北京成名时代家具有限公司安全生产标准化文件汇编编制:李良君审核:倪殿群批准:陈初明发布时间: 2014 年 1 月 1 日实施时间: 20...
客诉及验收异常处理流程1.流程说明该流程描述了两种业务情况:验收异常和完款后客诉。验收异常:服务在组装现场发现问题后,填写客诉单。根...
招标文件项目名称:家具采购标书编号: NZ2019-999xxxxxxx 招标办公室2019 年 9 月 30 日总目录第一章招标公告 .....................
皮质双人沙发实木双人沙发藤制双人沙发布艺双人沙发适用空间客厅客厅客厅、阳台、室外客厅挑选重点分辨材质、看框架、包布、海绵分辨何种木...
目录第一章项目的意义和必要性..................... 错误!未定义书签。1.1 项目名称及承办单位 ....................... 错误!未定...
下载后可任意编辑 木工家具做法以及油漆施工工序工艺木工项目,在装修工程中,往往,都是属于大项的一类。在这里,我们介绍一下,有关木工...
木家具质量检验要点2002 年 11 月 6 日对木家具质量检验应着重如下几方面:1主要尺寸和尺字公差检查: 包括主要的功能尺寸和位置公差...
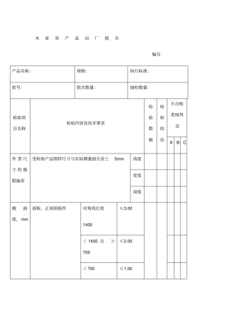
木家具产品出厂报告编号:产品名称:规格:执行标准:批号:批次数量:抽检数量:检验项目名称检验内容及技术要求检验数据检验结论不合格类...
实验报告—《理化性能的测定》学院:专业:姓名:班级:学号:指导老师: 2016年 6 月 16 日组员成员信息表姓名学号班级木制品家具检...
新发地市场监测中心家具技术要求一、钢木结构中央实验台、边式实验台、转角台、仪器设备台1.主架(主框架采用 00 鞍钢方型钢管,表面经酸...
家具与陈设设计制定人:黄珊一、课程性质、任务1. 课程的性质任务《家具与摆设设计》是武汉工程职业技术学院环艺设计专业的一门综合性较强...
家具与设》课程标准建筑工程系工程管理教研室制订2014 年 04 月 18 日家具与设课程标准课程代码:课程名称:家具与设课程性质:必修课...
部分家具木门机械中英文对照 A accessory equipment 附属设备 adhesion test instrument for the wood coating 木材涂层附着力...
进口品牌家具网址
最新家具买卖合同家具买卖合同合同编号:________出卖人:________签订地点:________买受人:________签...
家具营销策划书范文导读:本文家具营销策划书范文,仅供参考,如果能帮助到您,欢迎点评和分享。家具营销策划书范文 1 一、促销背景分析...
软体家具床垫中有害物》标准讨论稿
浙 江 荣 业家具制造有限公司 DSGY7.5.1~ 7.5.11 软体家具作业指导书 编 制:曹飞燕 审核: 日期: 椅子木工组作业指导书 DSG...

