莆田市圣元环保电力有限公司有限空间作业安全管理制度(初版)批 准: 审 核: 编 制: 2024—05—25 发布 2024-06—01 实施莆田市...
镇江市工贸企业有限空间作业安全管理指南镇江市安全生产监督管理局编制编 制 说 明1、近几年以来,安全生产法律、法规、规章、标准和法...
有限空间安全管理制度1 目的为了法律规范有限空间作业的安全管理,预防和减少生产安全事故,保障作业人员的安全与健康,防止伤亡事故的发生,...
有限空间按作业安全知识点考试试题一、单项选择题(共 10 题,每题 6 分)1、有限空间是( A ),进出口较为狭窄有限、未被设计为固定工...
有限空间作业安全生产责任制一、主要负责人职责公司主要负责人应加强有限空间作业的安全管理,履行以下职责:1、建立、健全有限空间作业安全...
有限空间作业安全知识一、有限空间基本知识1、有限空间的定义:有限空间,是指封闭或者部分封闭,与外界相对隔离,出入口较为狭窄,作业人...
有限空间作业安全生产责任制一、主要负责人职责项目主要负责人应加强有限空间作业的安全管理,履行以下职责:一、建立、健全有限空间作业安...
有限空间作业安全生产管理制度1. 总则1.1 目的:加强有限空间作业安全管理,预防、控制中毒窒息等生产安全事故发生,切实保护从业人员的生...
有限空间作业安全生产理论知识考试试卷(含答案)一、推断题(共 25 题,每题 1 分,满分 25 分。正确的选择 A,错误的选择B。)1。清...
开展有限空间作业安全生产条件专项整治情况工作总结根据《关于开展工贸行业有限空间作业专项治理活动实施方案》文件精神及工作安排,我局领...
开发区有限空间作业专项整治情况工作总结根据《关于继续深化开展工贸行业有限空间作业条件确认和检查工作的通知》阿市安监字〔2024〕18 号...
有限空间作业安全生产制度和规程北京首创清源环境治理有限公司目录1 范围 32 法律规范性引用文件 2 3 有限空间作业安全责任制度 2 ...
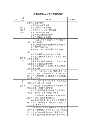
有限空间作业安全检查表企业名称企业负责人联系电话企业安全生产负责人联系电话检查人员检查时间序号检查项目检查内容检查结果整改情况1有...
附件 3:有限空间作业安全检查表企业名称企业负责人联系电话企业安全生产负责人联系电话检查人员检查时间序号检查项目检查内容检查结果整...
有限空间作业安全施工方有限空间作业安全施工方案案Xxxxxxx二○一六年八月二十日 一、工程概况1 工程名称:2 建设地点:3 建设单位:4 ...
有 限 空 间 作 业 安 全 生 产 检 查 表检 查 人 员 : 检 查 时 间 : 检查事项检 查 内 容检 查 情 况1应...
有限空间作业安全教育培训制度为加强施工人员的安全防范意识,杜绝或减少安全事故的发生,根据安全生产法和有关法律、法规,进行公司、项目、...
有限空间作业安全教育培训记录教育、培训课题有限空间作业定义及分类教育、培训组织部门日期201 年 月 日教育、培训地点公司会议室起止...
有限空间作业安全操作制度1、目的为了加强生产经营单位有限空间作业安全管理,法律规范生产经营单位日常有限空间作业行为,预防、控制中毒...
有限空间安全作业操作规程1、根据先检测、后作业的原则,凡要进入有限空间危险作业场所作业,必须根据实际情况事先测定其氧气、有害气体、...

