电脑桌面
添加小米粒文库到电脑桌面
安装后可以在桌面快捷访问

有限空间作业安全施工方案

有限空间作业安全施工方案_第1页
1/7
有限空间作业安全施工方案_第2页
2/7
有限空间作业安全施工方案_第3页
3/7
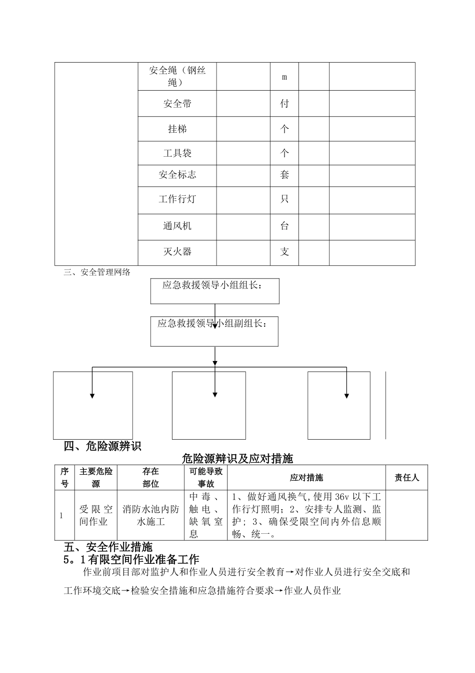
有限空间作业安全施工方有限空间作业安全施工方案案Xxxxxxx二○一六年八月二十日 一、工程概况1 工程名称:2 建设地点:3 建设单位:4 施工单位:5 监理单位: 1.1 设计概况:二、有限空间作业情况申请部门申请人作业地点作业内容作业原因防水作业作业起讫时间年 月 日 时 至 年 月 日 时止受限空间人施工单位负责人现场安全总负责人监护人安全措施落实负责人受限空间安全作业器具准备情况名称规格型号单位数量备 注安全绳(钢丝绳)m安全带付挂梯个工具袋个安全标志套工作行灯只通风机台灭火器支三、安全管理网络应急救援领导小组组长: 应急救援领导小组副组长:四、危险源辨识危险源辩识及应对措施序号主要危险源存在部位可能导致事故应对措施责任人1受 限 空间作业消防水池内防水施工中 毒 、触 电 、缺 氧 窒息1、做好通风换气,使用 36v 以下工作行灯照明;2、安排专人监测、监护; 3、确保受限空间内外信息顺畅、统一。五、安全作业措施5。1 有限空间作业准备工作作业前项目部对监护人和作业人员进行安全教育→对作业人员进行安全交底和工作环境交底→检验安全措施和应急措施符合要求→作业人员作业1、进入有限空间作业,必须办理《建筑工程有限空间危险作业审批表》。《建筑工程有限空间危险作业审批表》需包括空间作业场所的名称、作业单位、作业的负责人及作业人员、监护人、签发的日期及作业时限、作业内容、进入有限空间作业可能造成的危害、有限空间内的氧气、有毒有害气体浓度的检验结果和有限时限和进入有限空间作业防护和应急措施。2、有限空间作业的出入口内外不得有障碍物,应确保出入口畅通无阻,以便人员出入和抢救疏散。3、作业环境内应配备一定数量符合规定的应急抢救器具和灭火器。4、每次进入有限空间作业时,应对作业空间进行通风。但禁止用纯氧气对有限空间通风。5。2 安全技术措施1 本次受限空间作业部位主要是消防水箱内防水作业,由于聚氨酯涂料易挥发出有毒气体,危险类别主要是中毒窒息.由于空间狭窄,导致通风不良,燃烧或者产生其它气体均能引起中毒、使人窒息,内部照明不足会引起碰撞。2 水池内部应保证足够照明,照明灯采纳带胶罩的工作灯,照明电压应小于36V.当需要使用电动工具或照明电压大于 12V 时,应按规定安装漏电保护器,其接线箱(板)必须放置在水池外部;电线电缆不能有破损和裸露的地方;作业人员应穿戴防静电服装,使用防爆工具。3 电缆线不得有裸露的部位,应按规定...

1、当您付费下载文档后,您只拥有了使用权限,并不意味着购买了版权,文档只能用于自身使用,不得用于其他商业用途(如 [转卖]进行直接盈利或[编辑后售卖]进行间接盈利)。
2、本站所有内容均由合作方或网友上传,本站不对文档的完整性、权威性及其观点立场正确性做任何保证或承诺!文档内容仅供研究参考,付费前请自行鉴别。
3、如文档内容存在违规,或者侵犯商业秘密、侵犯著作权等,请点击“违规举报”。

碎片内容

有限空间作业安全施工方案

您可能关注的文档

确认删除?
VIP
微信客服
  • 扫码咨询
会员Q群
  • 会员专属群点击这里加入QQ群
客服邮箱
回到顶部