1 剩 余 物 资 和 废 旧 物 资 管 理 规 定 第 一 章 总 则 第 一 条 为 进 一 步 加 强 剩 余 物 资 及...
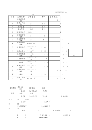
序号工程名称计算基础 费率金额(元)一实体部分项目费 1,000.00A其中:人工费(一)30% 300.00二实体价差(一)10% 100.00三实体利润...
剩余收益估价模型 剩余收益估价模型(Residu al Income Valu ation Model) 目录 [隐藏] • 1 剩余收益估价模型概述 • 2 剩余...
剩余工程量清单
计算题(考试以选择题形式出题) 1、假定某一资本的剩余价值率为 100%,该资本 4 年周转一次,试问该资本的年剩余价值率为多少? 2、...
消费者剩余 - 详解( 重定向自 Consumer surplus)消费者剩余 (consumer surplus),也称消费者盈余目录?1 什么是消费者剩余 ??2 消...
1 剩余法(假设开发法) 基本要求: 1 、了解:剩余法的应用领域。 2 、熟悉:剩余法的应用特点、适用范围;现金流量折现法和传统方...
【tips 】本文由李雪梅老师精心收编,值得借鉴。此处文字可以修改。污水处理厂剩余污泥处理处置及清洁生产研究现状摘 要 本文介绍了我国...
下载后可任意编辑探讨剩余合同额存在问题促进施工企业管理水平提升 中铁十八局隧道工程有限公司——曹科摘要:施工企业在进展过程中不可避...
下载后可任意编辑XX 中心办公楼 2024 年剩余工程量的施工进度及资金计划表一、 XX 行政中心办公楼截至 2015 年 3 月 10 日未完...
路面剩余使用寿命预测 ――柴坦尼亚·库马尔·巴拉 第 1 章 简介 本章介绍了路面剩余使用寿命预测的必经性和表明研究目标的必要性。...
下载后可任意编辑安毛 21 标剩余工程施工进度计划1 进度计划编制依据根据 2009 年 5 月 12 日安毛 JL7 驻地办转发管理处安毛发...
下载后可任意编辑附页 1现场施工计划表工程名称:天津绿子食品有限公司橄榄油分装项目工程-生产车间 制作日期: 日期项目名称1 周2 周...
下载后可任意编辑剩余索取权对降低地铁工程造价的作用摘 要: 文章简要 分析 了 企业 所有权安排的结果及国有企业剩余控制权安排的现...
下载后可任意编辑探讨剩余合同额存在问题促进施工企业管理水平提升 中铁十八局隧道工程有限公司——曹科摘要:施工企业在进展过程中不可避...
5.2 收益还原法 5 .2 .1 收益还原法的基本原理 收益还原法是将预计的待估土地未来正常年纯收益(地租),以一定的土地还原利率将其统...
第三讲总剩余分析、福利经济学及社会选择的基本理论注:本讲的内容建议阅读Andreu Mas-colell 等三人编写的《Microeconomic Theory》一...
ARCM 剩余电流式电气火灾监控装置及系统选型手册ARCM 剩余电流式电气火灾监控装置及系统上海安科瑞电气股份有限公司1 概述ARCM 剩余电...
精品文档。1欢迎下载剩余电流动作保护装置的基本原理剩余电流 是指通过剩余电流动作保护装置主回路( 零序互感器 )的电流瞬时值的矢量和...
剩余矩形算法的MATLAB实现论文剩余矩形算法的MATLAB实现河海大学 12 级物理( 1)班段付谋 1210020111 function mathmode_lsize=zero...

