ICS备案号:Q/CSG中国南方电网有限责任公司企业标准Q/CSG411001-2012基建工程质量控制标准(WHS)(2012年版)第8分册:配网工程及物资到货...
基建工程质量控制标准(WHS)(2012年版)第8分册:配网工程及物资到货验收2012--发布2012--实施中国南方电网有限责任公司发布目录1总则......
基建工程质量控制(WHS)及量化评价标准(2014年版)第2分册:电气安装工程2014-09-28发布2014-09-28实施中国南方电网有限责任公司发布ICS...
第1页共8页编号:时间:2021年x月x日书山有路勤为径,学海无涯苦作舟页码:第1页共8页D-06WHS质量控制点设置报审表(W)★工程名称:220kVX...
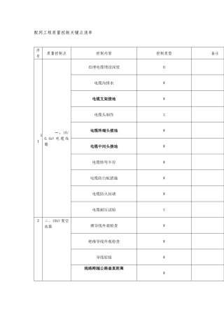
第1页共6页编号:时间:2021年x月x日书山有路勤为径,学海无涯苦作舟页码:第1页共6页配网工程质量控制关键点清单序号质量控制点控制内容控...
基建工程质量控制(WHS)及量化评价标准(2014年版)总册2014-09-28发布2014-09-28实施中国南方电网有限责任公司发布ICS备案号:Q/CSG中国...
基建工程质量控制(WHS)及量化评价标准(2014年版)第5分册:继电保护工程2014-09-28发布2014-09-28实施中国南方电网有限责任公司发布ICS...
基建工程质量控制标准(WHS)(2012年版)第8分册:配网工程及物资到货验收2012--发布2012--实施中国南方电网有限责任公司发布目录1总则......
基建工程质量控制标准(WHS)(2012年版)送审稿第1分册:输电线路工程2012--发布2012--实施中国南方电网有限责任公司发布目录1总则..........
基建工程质量控制标准(WHS)(2012年版)送审稿第1分册:输电线路工程2012--发布2012--实施中国南方电网有限责任公司发布目录1总则..........
配网工程质量控制关键点清单序号质量控制点控制内容控制类型备注11一、10/0.4kV电缆线路直埋电缆埋设深度H电缆沟排水W电缆支架接地W电缆头...
基建工程质量控制(WHS)及量化评价标准(2014年版)第6分册:自动化工程2014-09-28发布2014-09-28实施中国南方电网有限责任公司发布ICS备...
变电站工程W、H、S点的设置表变电站工程监理项目部W、H、S点的设置变电站土建工程监理工作明细表(示例)序号工程名称见证点(W)停工待检点...

