精品文档---下载后可任意编辑β-环糊精包结分离天然香料中醇、酚、和酯的讨论开题报告题目:β-环糊精包结分离天然香料中醇、酚、和酯的讨...
精品文档---下载后可任意编辑β-环糊精包合脱除藻油 DHA 胆固醇的讨论的开题报告一、讨论背景和意义藻油中含有丰富的 DHA(二十二碳六烯...
精品文档---下载后可任意编辑β-环糊精包合物的讨论的开题报告题目:β-环糊精包合物的讨论讨论背景:β-环糊精是一种重要的分子包合剂,由...
精品文档---下载后可任意编辑β-环糊精功能化聚丙烯木质纤维素吸附与释放的讨论开题报告一、讨论背景和意义木质纤维素是一种重要的纤维素材...
精品文档---下载后可任意编辑β-环糊精功能化聚丙烯木质纤维素吸附与释放的讨论中期报告本讨论旨在利用 β-环糊精功能化聚丙烯木质纤维素...
精品文档---下载后可任意编辑辣椒碱/β-环糊精体系溶解与渗透的相关性讨论的开题报告1. 讨论背景β-环糊精是一种重要的功能性食品配料和药...
精品文档---下载后可任意编辑β-环糊精中环氧苯乙烷与氢溴酸反应机理的理论讨论的开题报告一、讨论背景及意义β-环糊精是一种具有广泛应用...
精品文档---下载后可任意编辑β-环糊精与阴离子型双子表面活性剂的组装讨论的开题报告一、讨论背景β-环糊精和阴离子型双子表面活性剂在化...
精品文档---下载后可任意编辑β-环糊精与有机染料分子的超分子作用讨论的开题报告1. 讨论背景β-环糊精是一种含有七个葡萄糖分子的糖环状...
精品文档---下载后可任意编辑α-环糊精葡萄糖基转移酶高产菌株的选育及产酶条件的讨论的开题报告一、讨论背景及意义随着科学技术的不断进展...
精品文档---下载后可任意编辑DMF 与 KSCN 萃取分离苯-环己烷非极性体系的讨论的开题报告一、选题背景和意义苯-环己烷是一种重要的非极性...
精品文档---下载后可任意编辑2-羟丙基-β-环糊精制备工艺与物系组成讨论的开题报告一、选题背景及讨论意义2-羟丙基-β-环糊精是一种重要的...
精品文档---下载后可任意编辑2-甲氧基雌二醇及其羟丙基-β-环糊精包含物细胞药效和药动学初步讨论的开题报告一、背景与目的甲氧基雌二醇(M...
β-环糊精的使用及其安全性第 1 页 共 6 页β-环糊精的使用及其安全性一、β -环糊精简介中文名称:β - 环糊精英文名称:β -...
湖北中医药大学毕业论文论文题目:β-环糊精在药剂中应用的研究姓名:xx所在院系:专业班级:xx学号:xx指导教师:日期:2011年5月15日独创...
循环系统疾病习题一、判断题1.冠心病患者发生左心衰时,可于其心尖区闻及舒张期奔马律,以吸气末期最为明显()2.第二心音的固定分裂常见...
项目单位价格洽谈桌椅系列玻璃圆桌0.8M张100玻璃圆桌0.6M张100玻璃圆桌椅套套200咨询桌张60玻璃咨询桌张100高级洽谈桌椅套300沙发(白色真...
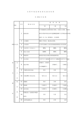
全国环境监察标准化建设标准东部地区标准类别序号指标内容建设标准一级二级三级机构与人员1机构名称经当地编委发文批准的独立机构,具备法...
环保措施及制度各项环保措施一、固体废弃物的管理1、废弃物的分类:(1)、可回收利用无毒无害废弃物:废钢筋、废钢材、废木材、空材料桶、...

