电脑桌面
添加小米粒文库到电脑桌面
安装后可以在桌面快捷访问

全-国-环-境-监-察-标-准-化-建-设-标-准VIP免费

全-国-环-境-监-察-标-准-化-建-设-标-准_第1页
1/16
全-国-环-境-监-察-标-准-化-建-设-标-准_第2页
2/16
全-国-环-境-监-察-标-准-化-建-设-标-准_第3页
3/16
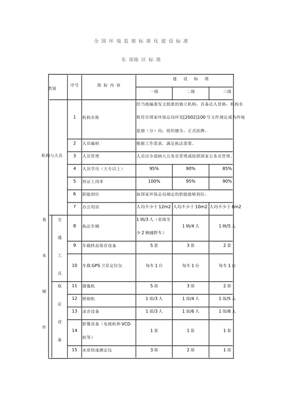
全国环境监察标准化建设标准东部地区标准类别序号指标内容建设标准一级二级三级机构与人员1机构名称经当地编委发文批准的独立机构,具备法人资格;机构名称符合国家环保总局环发[2002]100号文件规定或为环境监察(分)局;组织健全,正式挂牌。2人员编制根据工作需求,满足执法需要。3人员管理人员应全部纳入公务员管理或依照国家公务员管理。4人员学历(大专以上)95%90%85%5持证上岗率100%95%90%6职能到位按国家环保总局规定的职能能够到位。7办公用房人均不少于12m2人均不少于10m2人均不少于8m2基本硬件交通工具8执法车辆1辆/3人(省级至少2辆越野车)1辆/4人1辆/5人9车载样品保存设备5套3套2套10车载GPS卫星定位仪每车1台每车1台每车1台取证设备11摄像机5部3部2部12照相机1部/3人1部/4人1部/5人13录音设备1部/3人1部/6人1部/8人14影像设备(电视机和VCD机等)1套1套1套15水质快速测定仪3部2部1部类别序号指标内容建设标准一级二级三级装16酸度计4部3部2部17溶解氧仪4部3部2部18暗管探测仪1部1部19烟气黑度仪3部2部1部基本硬件装备取证设备20烟气污染物快速测定仪3部2部1部21粉尘快速测定仪3部2部1部22标准采样设备5套3套2套23声级计1部/3人1部/5人1部/8人24放射性个人剂量报警仪6台4台2台通讯工具25固定电话1部/2人1部/3人1部/4人26移动通讯1部/3人1部/6人1部/8人27传真机3部2部1部办公设备28台式计算机1台/1人1台/2人1台/3人29打印机4台2台1台30笔记本电脑6台4台2台信息31排污收费管理系统1套1套1套32污染源自动化监控系统1套1套33服务器1台1台类别序号指标内容建设标准一级二级三级化设3412369环保热线省、市、县级分设信息管理系统、呼叫中心和受理系统应急装备35应急指挥系统1套36应急车辆2台2台1台37车载通讯、办公设备2套2套1套38应急防护设备12套8套5套39应急取证设备3套2套1套基础工作40执行环境监察工作制度制度健全、遵守和实施。41执行环境监察工作程序程序完整合理,操作简单实用,执行规范有序。42执行环境监察报告制度按有关文件要求报告。43政务公开制度按5项公开要求公开。44档案管理工作填写工整规范,资料齐全完整。45执法文书文书合法有效,填写工整规范,资料齐全完整。中部地区标准类别序号指标内容建设标准一级二级三级机1机构名称经当地编委发文批准的独立机构,具备法人资格;机构名称符合国家环保总局环发[2002]100号文件规定或为环境监察类别序号指标内容建设标准一级二级三级构与人员(分)局;组织健全,正式挂牌。2人员编制根据工作需求,满足执法需要。3人员管理人员应全部纳入公务员管理或依照国家公务员管理。4人员学历(大专以上)95%90%85%5持证上岗率100%95%90%6职能到位按国家环保总局规定的职能能够到位。7办公用房人均不少于12m2人均不少于10m2人均不少于8m2基本硬件交通工具8执法车辆1辆/4人(省级至少1辆越野车)1辆/5人1辆/6人9车载样品保存设备4套3套2套10车载GPS卫星定位仪每车1台每车1台取证设11摄像机4部3部1部12照相机1部/3人1部/4人1部/6人13录音设备3台2台1台14影像设备(电视机和VCD机等)1套1套1套15水质快速测定仪3部1部1部16酸度计4部3部2部类别序号指标内容建设标准一级二级三级装备备17溶解氧仪4部3部2部18暗管探测仪1部19烟气黑度仪3部2部1部20烟气污染物快速测定仪3部2部1部21粉尘快速测定仪3部2部1部22标准采样设备5套3套2套23声级计1部/3人1部/5人1部/8人24放射性个人剂量报警仪3台2台1台基本硬件装通讯工具25固定电话1部/2人1部/4人2部26移动通讯3部2部1部27传真机2部1部1部办公设备28台式计算机1台/1人1台/2人1台/3人29打印机3台1台1台30笔记本电脑4台3台2台信息化设备31排污收费管理系统1套1套1套32污染源自动化监控系统1套1套33服务器1台1台3412369环保热线省、市、县级分设信息管理系统、呼叫中心和受理系统。类别序号指标内容建设标准一级二级三级备应急装备35应急指挥系统1套36应急车辆2台1台1台37车载通讯、办公设备2套1套1套38应急防护设备8套5套3套39应急取证设备3套2套1套基础工作40执行环境监察工作制度制度健全、遵守和实施。41执行环境监察工作程序程序完整合理,操作简单实用,执行规范有序。42执行...

1、当您付费下载文档后,您只拥有了使用权限,并不意味着购买了版权,文档只能用于自身使用,不得用于其他商业用途(如 [转卖]进行直接盈利或[编辑后售卖]进行间接盈利)。
2、本站所有内容均由合作方或网友上传,本站不对文档的完整性、权威性及其观点立场正确性做任何保证或承诺!文档内容仅供研究参考,付费前请自行鉴别。
3、如文档内容存在违规,或者侵犯商业秘密、侵犯著作权等,请点击“违规举报”。

碎片内容

全-国-环-境-监-察-标-准-化-建-设-标-准

确认删除?
VIP
微信客服
  • 扫码咨询
会员Q群
  • 会员专属群点击这里加入QQ群
客服邮箱
回到顶部