这些药,不能盐水糖水配一、以下药物不能用盐水配1.乳糖酸红霉素乳糖酸红霉素不可用氯化钠注射液配伍。2.依诺沙星静滴速度不宜过快,合并使...
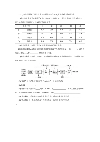
25.(10 分)某制碱厂以岩盐水为主要原料生产纯碱(碳酸钠)和其他副产品。 (一)原料岩盐水主要含氯化钠,此外还含有较多硫酸钠,以及少量氯...
脱盐水岗位安全考试试题一、填空题:(共 25 分)1、外施队进入生产车间施工,必须联络施工所在车间管理人员并出示 ,经车间管理人员进行安...
一次盐水装置岗位操作法一、 产品及原材料简介(一)产品规格 本工段产品为精盐水,系供给离子膜电解和隔膜电解的原料,根据离子膜电解的...
油田热电厂除盐水管线等维修工程施工组织设计 大庆市中博建筑安装工程 2024 年 08 月 15 日目 录一、编制依据:.....................
奇异的盐水教案 奇异的盐水教案 作为一名优秀的教育工,通常会被要求编写教案,编写教案助于积累教学阅历,不断提高教学质量。优秀的教案...
脱盐水项目技术方案
亿鼎合成氨尿素项目(一期) 脱盐水装置调试方案 编制: 审核: 批准: 北京中电加美环保科技有限公司 二零一四年二月亿鼎合成氨尿素...
第1 页 共 1 5 页 500吨/时凝液制取脱盐水装置施工 施 工 方 案 一、 编制依据 1 .500吨/时凝液制取脱盐水装置施工设计图。...
1 / 34 脱盐水岗位试题库 反渗透单元试题库 一、填空题 1.反渗透脱盐必须满足两个条件:a半透膜具有选择地透水而不透盐的特性。b盐水...
目录 1 岗位任务 ..................................................................................................................
脱盐水岗位操作规程
脱盐水复习题库 1..反渗透进水;SDI(<3)浊度(<1NTU )温度(25-40℃ )余氯(<0.1mg/L )。 2.常用的化学清洗剂有( EDTA ...
■b.超滤装置的工作过展沈水融*(丹剤*轸)除盐水工艺流程框图反洗水泵(杀菌剂加药)]原水一原水箱 | 一原水泵一生水加热器一(絮凝剂加...
5T/H 工艺水处理方案及报价一.项目概述厂方所提供的水质报告及要求,是系统选定工艺的基础,给定的参数和要求越详细,系统的设计将越完善...
us/cmppm10520930144019602870338038904210047110521205713061140661507116075170801808519090200952101002201052301102401152501202601252...
日本工业规格日本工业规格((盐雾试验方法盐雾试验方法)) 本规格是在1990 年发行的第一版ISO 9227 的基础上编写而成的。对于相应的...
参考资料]电解水与电解饱和食盐水装置的制作 我们制作一套装置即可电解水又可电解饱和食盐水,用于演示实验很方便。具体的制作方法及操作...
山 东 中 华 聊 城 发 电 厂 化 学 系 列 设 备 调 试 措 施 HS — 01 共 14 页 电解食盐水次氯酸钠发生装置调试...
ms/cmus/cmppm%01050.00%02090.00%030140.00%040190.00%060280.00%070330.00%080380.00%090420.00%0100470.00%0110520.01%0120570.01%01306...

