08~14年高考题项目一发动机概述一、选择题1.发动机的维护的原则是A.预防为主、定期检测、计划维护B.预防为主、计划检测、强制维护C.预...
第1页共11页编号:时间:2021年x月x日书山有路勤为径,学海无涯苦作舟页码:第1页共11页康明斯B系列3.3升小型工程机械柴油机,由康明斯和小...
第1页共11页编号:时间:2021年x月x日书山有路勤为径,学海无涯苦作舟页码:第1页共11页康明斯B系列3.3升小型工程机械柴油机,由康明斯和小...
第1页共6页编号:时间:2021年x月x日书山有路勤为径,学海无涯苦作舟页码:第1页共6页实训项目一电喷发动机结构原理认识与电路图阅读一、实...
第1页共6页编号:时间:2021年x月x日书山有路勤为径,学海无涯苦作舟页码:第1页共6页奇瑞ACTECO发动机品牌介绍发动机是汽车的核心部件,也...
第1页共30页编号:时间:2021年x月x日书山有路勤为径,学海无涯苦作舟页码:第1页共30页气体机故障故障处理流程一、常见故障处理流程故障诊...
发动机机械测量与诊断(2)一共20题徐洛夫2012/3/9
发动机机械测量与诊断(2)一共20题徐洛夫2012/3/9
新型燃气发动机项目可行性研究报告(立项+批地+贷款)编制单位:北京中投信德国际信息咨询有限公司编制时间:二〇二四二〇二四年十一月咨询...
第1页共13页编号:时间:2021年x月x日书山有路勤为径,学海无涯苦作舟页码:第1页共13页FSI/TSI/TDI技术透析详解大众发动机大众集团在中国...
天津大学半消声室发动机轴系系统项目采购招标文件(招标编号:TD2010-N-3)招标单位:天津大学设备处日期:2010年1月目录第一部分:投标邀请...
第1页共22页编号:时间:2021年x月x日书山有路勤为径,学海无涯苦作舟页码:第1页共22页据“全球飞行资源”网站当地时间7月15日的报道,巴...
第1页共35页编号:时间:2021年x月x日书山有路勤为径,学海无涯苦作舟页码:第1页共35页◆数码发电机组产品编号YT1000SM()频率50HZ额定电...
第1页共7页编号:时间:2021年x月x日书山有路勤为径,学海无涯苦作舟页码:第1页共7页发动机性能检测与故障诊断第2页共7页第1页共7页编号:...
目录一、编制依据……………………………………………………………………02二、工程概况………………………………………………………………...
第1页共30页编号:时间:2021年x月x日书山有路勤为径,学海无涯苦作舟页码:第1页共30页目录1.电喷系统主要零部件的原理、功用及失效判定…...
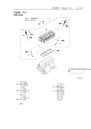
6EN138678N.m→完全松开→20N.m→900+900组装时所有内部零件要涂抹机油拆卸步骤气缸盖螺栓气缸盖组件气缸垫气门锁夹气门弹簧上座气门弹簧进...
第1页共40页编号:时间:2021年x月x日书山有路勤为径,学海无涯苦作舟页码:第1页共40页毕业设计(论文)题目现代伊兰特电控发动机系统故障...
第1页共7页编号:时间:2021年x月x日书山有路勤为径,学海无涯苦作舟页码:第1页共7页发动机性能检测与故障诊断第2页共7页第1页共7页编号:...
发动机维修说明书前言本维修说明书的对象为专职从事汽车保养与维修作业的人员。书中按照汽车一般的系统划分方法(发动机、离合器等)采用大的...

